当我们需要用的一些元器件PCB封装库中找不到的时候,我们就需要自己手动绘制一些元器件的PCB封装。当然也可以选择用相似的代替,但是在一些长场合中并不允许我们这样做,也为了更加的追求完美。
必不可少的当然是我们的AltiumDesigne开发环境,如果还未安装该软件,请参考:https://blog.csdn.net/qq_42748213/article/details/89928089
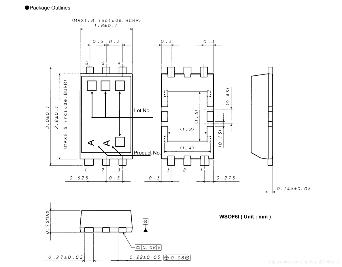
第二个就是我们要绘制元器件的器件手册了。
注:如需菜单汉化、英化请参考:https://blog.csdn.net/qq_42748213/article/details/90485081
依次点击:File——New——Labrary——PCB Labrary

这里我们自己新建了一个PCB封装库,我们也可以采用原有的PCB封装库,操作步骤是:File——Open——***.Pcblib(***代表要打开的PCB封装库的名字)



1.打开器件手册并找到我们需要的部分

2.放置焊盘
点击该按钮放置焊盘,在器件悬浮状态按TAB键可更改属性
properties菜单介绍:




注:使用快捷键Q可切换为mil或mm单位(需将 输入法 切换为英文输入法)
根据器件手册可知 1引脚的尺寸为0.27mm*0.2mm
以此类推绘制其他引脚
我们将参考点设置到一号引脚上,这样便于我们调整其他引脚坐标
参考点设置方法:Edit——Set Reference ——Pin 1(Pin 1:一脚 Center:中心 Location:位置)
参考点可以帮助我们快速确定元件各部分位置坐标
引脚绘制完成如下图:

3.现在为元器件添加丝印层

注:按G可更改栅格大小
双击丝印层线可打开属性 对话框


4.绘制禁止布线区
因为有些元器件底部是不适合走线的,所以我们绘制一个禁止布线区


一个简单的PCB封装就制作完成了
欢迎加入技术交流群 QQ :1025190937
免责声明:本文系网络转载或改编,未找到原创作者,版权归原作者所有。如涉及版权,请联系删