本教程以绘制4x4矩阵键盘为例,在绘制PCB前,请确保你已安装Altium Designer。 本节主要教大家绘制电路原理图。
在绘制电路原理图之前,还需要为器件的原理图添加封装。在左侧导航栏选中matrixKeyboard.SchLib进入原理图库界面,点击符号管理器,再选择要添加封装的器件,点击Add Footprint,输入你之前绘制的封装器件名称:


依次添加完成后需要保存一下,然后点击右侧的库来查看原理图库的器件是不是都有封装:


在左侧导航栏选中matrixKeyboard.SchDoc进入 电路原理 图绘制界面,在右侧的库中找到matrixKeyboard.SchLib,双击Key 元器件 ,然后按一下键进入元器件属性编辑界面:

然后依次排列成4x4矩阵形状:

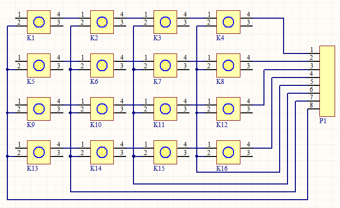
按照矩阵键盘逻辑进行电气连线:

在顶部导航栏点击设计,选择Update PCB Document matrixKeyboard.PcbDoc导出到PCB图:

点击验证变更,确保无误后再点击执行变更即可导出到PCB图:

导出后的元件被一个红框包裹着,单击选中红框后可以按键删掉:

文章作者:GentleTK
原文链接:https://gentletk.gitee.io/AltiumDesigner绘制PCB(四)
https://gentletk.gitee.io/AltiumDesigner%E7%BB%98%E5%88%B6PCB%28%E5%9B%9B%29
免责声明:本文系网络转载或改编,未找到原创作者,版权归原作者所有。如涉及版权,请联系删