首页
产品
解决方案
服务支持
AI分析
关于
软件库
在线咨询
申请试用
155-2731-8020
产品
许可分析
实现专业软件许可精细化管理
许可优化
高效利用许可资源、回收闲置许可
许可调配
合理管控调配许可资源
终端软件管理
终端软件管理和合规性管理共同保障终端安全
软件商店
多角度管控软件使用权限,保证软件安全性
资产台账
实用、强大的资产台账管理工具
行业分类
汽车行业
船舶行业
网络行业
半导体行业
医疗行业
军工行业
服务支持
服务保障
软件文章
产品教程
技术文档
关于
关于我们
试用产品
合作伙伴
品牌标志
产品
解决方案
服务支持
AI分析
关于
软件库
产品
许可分析
实现专业软件许可精细化管理
许可优化
高效利用许可资源、回收闲置许可
许可调配
合理管控调配许可资源
终端软件管理
终端软件管理和合规性管理共同保障终端安全
软件商店
多角度管控软件使用权限,保证软件安全性
资产台账
实用、强大的资产台账管理工具
解决方案
汽车行业
船舶行业
网络行业
半导体行业
医疗行业
军工行业
服务支持
服务保障
软件文章
产品教程
技术文档
关于
关于我们
试用产品
合作伙伴
品牌标志
当前位置:服务支持 >
软件文章
>
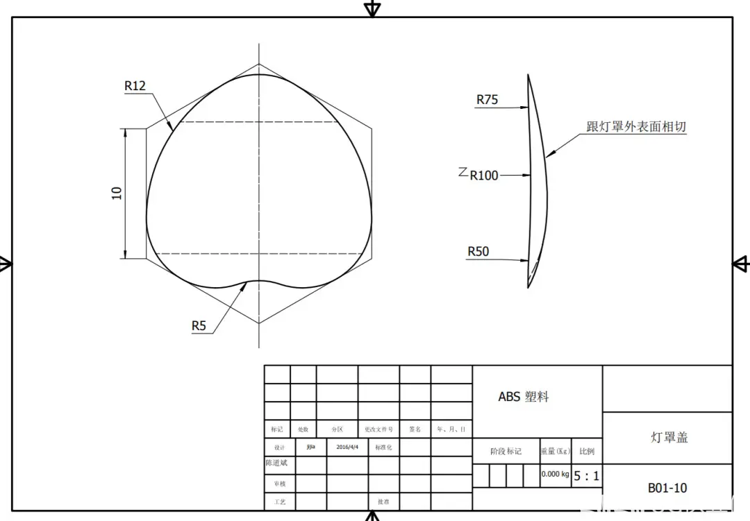
UG NX装配练习:趣味图纸分享与实战技巧
UG NX装配练习:趣味图纸分享与实战技巧
阅读数 636
点赞 17
快来做练习吧!
这种练习图还有好几套,我整理了一个文件夹,需要的话可以打包发你。
领取方式看下图!
返回上级列表
联系我们
,获取更多内容
上一篇:
UG/NX花瓶建模:用函数表达式实现精致设计
下一篇:
UG NX冬菇头倒扣机构:模具结构分析与设计说明
相关文章
UG
/
NX
装
配
实
践:
趣
味
装
配
案例
图
纸
分
享
阅读量 865
点赞 86
UG NX
UG
NX
:建模
装
配
练
习
图
纸
分
享
,不容错过!
阅读量 1052
点赞 16
UG NX
UG
/
NX
模具设计:前模油缸抽芯滑块防后退机构解析
阅读量 903
点赞 54
UG NX
UG
/
NX
模具设计:塑胶模具
分
型面处理原则
阅读量 775
点赞 17
UG NX
UG
/
NX
模架设计:13个基础细节要点
阅读量 886
点赞 34
UG NX
UG
/NX10能力训
练
:课程内容
与
学
习
指南
阅读量 846
点赞 15
UG NX
UG
NX
练
习
:1-25届大赛
图
纸
合集
分
享
阅读量 1634
点赞 87
UG NX
UG
建模
实
践:
图
纸
绘制
与
绘
图
技
巧
练
习
阅读量 813
点赞 30
UG NX
UG
NX
:零件
图
纸
建模
实
战
分
享
阅读量 1170
点赞 89
UG NX
UG
/
NX
模具设计:前模油缸抽芯滑块防退机构解析
阅读量 856
点赞 80
UG NX
UG
NX
装
配
约束:
图
解
与
实
用
技
巧
阅读量 976
点赞 33
UG NX
零基础提升
UG
NX
技
术:学
习
方法
与
建议
阅读量 1034
点赞 24
UG NX
UG
/
NX
趣
味
应用:用软件折
纸
飞机的创意玩法
阅读量 1431
点赞 51
UG NX
UG
NX
趣
味
建模:小猪存钱罐
图
文教程
阅读量 1285
点赞 11
UG NX
UG
NX
图
文教程:铁丝网建模
技
巧
阅读量 915
点赞 94
UG NX
技术文档
格发
许可分析
软件管理系统宣传
软件实现正版化
-格发最专业的解决方案
企业
软件资产
和
License管理
遇到的问题和解决办法
UG许可
资源优化解决方案-
许可不够用
,解决UG盗版,
UG许可
监控,UG律师函
公司使用
盗版SolidWorks
被发函,
solidworks盗版
检测,solidworks 被软件公司查到用盗版,SolidWork价格减少
Teamcenter
无法创建多余账号怎么办?
如何解决
许可不足
问题以提升许可利用率
CATIA
的
license资源
管理-gofar许可优化效果
企业如何进行
合规性管理
收到西门子发来的
UG告知函
怎么办?
Solidworks盗版
被查如何防范?厂商是怎么样查到公司在用盗版,有什么方法可以核实真假?……
热门文章
日本车间管理方法借鉴:看看你的管理是否到位
SolidWorks工程图转DWG格式的映射技巧
LS-DYNA许可证使用时、空、求解器模块及核心规模热力图分析
新能源驱动电机多场耦合分析:电磁、磁热、振动、噪声一网打尽
CATIA
装配技巧(一):实用功能与操作指南详解
Altair SimLab实体网格划分功能体验与操作流程介绍
微信扫一扫,欢迎咨询~
联系我们
武汉格发信息技术有限公司
湖北省武汉市经开区科技园西路6号103孵化器
电话:155-2731-8020 座机:027-59821821
邮件:tanzw@gofarlic.com
发现
许可分析
许可优化
许可调配
终端软件管理
方案
汽车行业
船舶行业
网络行业
半导体行业
服务
服务保障
软件文章
产品教程
技术文档
关于
关于我们
试用产品
合作伙伴
品牌标志
AI分析
隐私声明
|
使用条款
Copyright © 2023 Gofarsoft Co.,Ltd. 保留所有权利
鲁ICP备14018425号-1
鄂公网安备42011302000881号
遇到许可问题?该如何解决!?
评估许可证实际采购量? 
不清楚软件许可证使用数据? 
收到软件厂商律师函!?  
想要少购买点许可证,节省费用? 
收到软件厂商侵权通告!?  
有正版license,但许可证不够用,需要新购? 
联系方式
155-2731-8020
预留信息,一起解决您的问题
*
 姓名:
*
 手机:
*
 公司名称:
姓名不为空
手机不正确
公司不为空