电力系统 暂态稳定性Matlab编程/ Simulink仿真
单机无穷大系统发生各 类 (三相短路,单相接地,两相接地,两相相间短路)等短路故障,各类(单相断线,两相断线,三相断线)等断线故障,暂态稳定仿真分析
1.Matlab编程进行 数值分析 (采用欧拉法Euler,改进欧拉法improve Euler,4阶龙格库塔法Runger-Kutta),计算故障后 发电 机功角-时间曲线,电机转速-时间曲线,临界切除角和临界切除时间
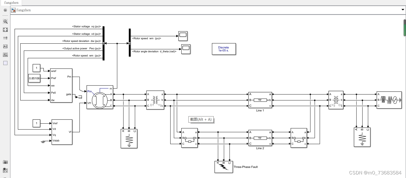
2. Simulink搭建电力系统暂态仿真模型
通过仿真,观察串联电抗器,并联补偿器,自动重合闸,以及故障切除快慢对暂态稳定性的影响
Ihttps://www.gofarlic.com42100677003971155
月明风清

免责声明:本文系网络转载或改编,未找到原创作者,版权归原作者所有。如涉及版权,请联系删