前面分享了allegro 17.4关于布局布线的一些操作教程,没有提到封装的制作,而封装制作也是 PCB设计 的一个重要部分,于是今天再分享一下封装绘制方面的一些基本操作。
如下元素是必须项:焊盘pad(包括阻焊、孔径、花焊盘、反焊盘等内容)、丝印silkscreen(包括器件外形丝印、安装标识、1脚标识、极性标识等内容)、装配线assembly、位号字符refdes、名称字符comp value、占地面积place bound、器件最大高度、原点、Pin_number等。
还有一些元素是可选的,不同的器件有所不同:开孔尺寸标注、外形尺寸标注、倒角尺寸标注、Pin间距标注、禁止布线区、禁止布孔区等。
通常焊盘有如下类型或内外层设置:
Regular Pad:规则焊盘,在正片中看到的焊盘,也是基本的焊盘。
Thermal Relief:热风焊盘,也叫花焊盘,在负片中有效,设计用于在负片中焊盘与敷铜的接连方式,防止焊接时散热太快,影响焊接效果。通孔类焊盘需要设置花焊盘,表贴类焊盘不需要。
Anti Pad:隔离反焊盘,焊盘与敷铜的间距,负片工艺中有效,设计用于在负片中焊盘与敷铜不接连。通孔类焊盘需要设置反焊盘,表贴类焊盘不需要。
Soldermask:阻焊层,规定绿油开窗大小,以便进行焊接。焊盘如果不需要盖绿油就不需要阻焊层。
Pastemask:钢网层,定义钢网开窗大小,贴片的时候会按照钢网的位置和大小,进行锡膏涂敷。不用上锡的焊盘就不需要钢网层。
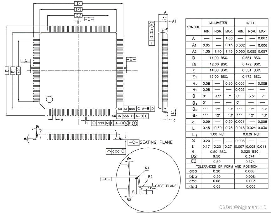
我们以如下器件封装为例,逐步讲述封装的绘制步骤:

Allegro这个工具做封装之前需要把焊盘先做好,接下来讲述做表贴焊盘的步骤。
上图是一个实物图,他的焊盘尺寸需要按规则补偿。这是一个翼形引脚型 SMD封装,如下图:

A:零件实体长度 X:补偿后焊盘长度
T:零件脚可焊接长度 Y:补偿后焊盘宽度
W:零件脚宽度 S:焊盘中心距
补偿方式:定义T1为T尺寸的外侧补偿值,T2为T尺寸的内侧补偿值,W1为W尺寸的侧边补偿值。
T1取值范围:0.3 - 1mm
T2取值范围:0.3 - 1mm
W1取值范围:0 - 0.2mm,宽度需要注意补偿完之后焊盘间距要大于绿油桥的最小宽度要求,一般绿油桥最小能做到0.2mm。
最终焊盘尺寸计算为:
X = T1+T+T2
Y = W1+W+W1
S = A+T1+T1–X
针对我们这个器件,T=0.6mm,W=0.2mm,A=14mm,取T1=0.3mm,T2=0.5mm,W1=0.03mm,则有:
X=0.3+0.6+0.5=1.4mm
Y=0.03+0.2+0.03=0.26mm
S=14+0.3+0.3-1.4=13.2mm
下面开始创建焊盘,打开Padstack Editor,在start页面选择SMD pin,焊盘形状为矩形,单位为毫米,精度为4。

然后点击design layer把regular pad形状、尺寸填进去。
然后在mask layer填入soldermask_top(尺寸为regular pad+0.15)和pastmask_top(尺寸等于regular pad),表贴器件填这两个就行了。
到这里这个表贴焊盘就做好了,按照规范进行命名,一般为焊盘类型_形状_长度x宽度,本次命名为SMD_RC_1R4x0R26,保存即可。
焊盘画好之后打开PCB designer工具来画封装。 File -new-package symbol,选好封装存放位置,填写命名,一般为封装类型+引脚数_器件长度x器件宽度。

进来先设置软件单位为毫米,然后把原点左边(0,0)从左下顶点往中间移动100,方便以器件中心为原点进行绘制。
然后指定焊盘的路径,这个之前也讲过,不多提了。
然后以器件中心作为原点,计算1脚的坐标,横坐标x=-D2/2=-4.75。纵坐标y=S/2=-13.2/2=-6.6。
放置pin脚: layout -pins,设置option,横向放置20个pin,间距0.5mm,如下图:
在命令栏输入1脚坐标:x -4.75 -6.6,可以看到最下面一排引脚就放进去了。
继续按此操作放置另外三排引脚,完成后如下图:
Add-line,设置option如下图:
依次输入坐标即可完成绘制。同样的方法将子层改为assembly_top即可完成装配线绘制,如下图,注意由于我们的引脚做了补偿,导致按原来的器件框大小绘制会导致丝印上焊盘,一般情况下丝印是不上焊盘的,所以丝印线最好调整一下,装配线可以不用调整。通常这种情况下丝印线就画四个拐角就行,将格点改为0.1,可以在装配线上直接手动画。
add-text,在option选择对应的层。层对应关系为:
丝印层位号:ref des-silkscreen_top,填字符#REF
装配层位号:ref des-assembly_top,填字符#REF
Value:component value- silkscreen_top,填字符#VAL

使用add-line,在package geometry-silkscreen_top 绘制即可,可以画线、三角形、圆形来标识都可以。

为了说明器件引脚是逆时针排布的,可以增加一些其他引脚的编号标识,在丝印层add-text即可,字体和位置都可以按需调整,这里不演示了。

绘制器件的占地面积,可以在器件有干涉的时候报DRC错误提示。以绘制铜皮的方式绘制,shape- rectangle ,画在package geometry-place bound top层。一般画得比引脚边缘稍大一点。

Setup-area-package height,点击place bound区域,在option面板输入最大高度,然后右键-done即可。到此一个SMD封装就做完了。

免责声明:本文系网络转载或改编,未找到原创作者,版权归原作者所有。如涉及版权,请联系删