~~~正文开始~~~
.png)
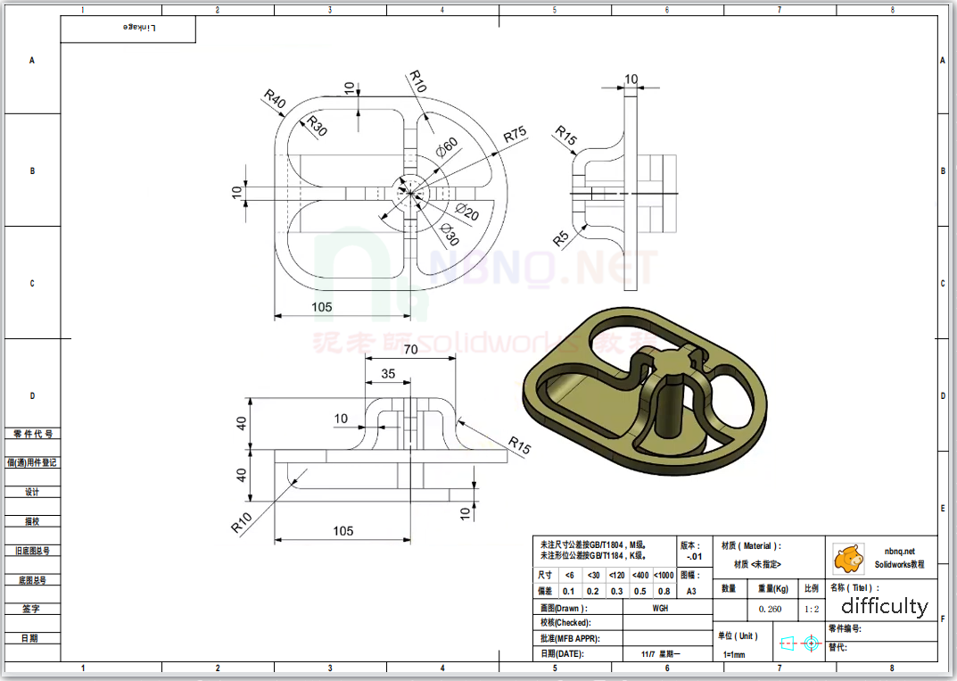
绘制过程:
上视面画圆,拉伸凸台,把小圆柱做出来。拉伸方向两侧对称,这样把上视面放于中间,方便后面绘草图。
.png)
前视面绘草图,如下尺寸,拉伸凸台,两侧对称。把Z形的筋做出来。然后阵列四个。注意长度心量长一点。
.png)
在上视面绘草图如下,拉抻凸台。把中间那个半圆形的框架做出来。
.png)
在上视面另起草图,引用上一步的外轮廓,切除多余的Z形筋。
.png)
把圆角倒好。这个图纸上其中一个R10的圆是没有的,我们这里倒好了。略有不同。
然后前视面草图,把底部那个草图做好。拉伸凸台。
.png)
最后把圆切除出来就行了。
.png)
整个过程非常简单,只用到拉伸凸台和切除。适合新手练习。不过图形比较新颖,构图思路比较新奇,可以稍加练习。
.gif)