画元件封装,如前文所述,建立元件库。现在通过Allegro建立对应封装。
步骤比较繁琐,我尽量说的简短些:
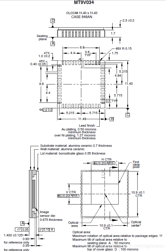
我们以MT9V034元件为例:


保存,capture 软件 可以歇着了

宽(0.4 +- 0.05)mm,长 (11.43/2 - 5.215)*2 = 1mm打开Pad Editor软件,准备画焊盘
一般焊盘要大于芯片 引脚 ,所以这里焊盘取宽0.5mm,长2mm
说几句废话:
pastemask是助焊层,一般和焊盘大小相同,用于 焊接 芯片
soldermask是阻焊层,一般比焊盘大0.1mm,用于圈定锡膏活动范围,放置机贴时短路
焊盘两种画法:第一种用自带形状文件,比如圆、椭圆、矩形、圆角矩形,过孔等等。第二种自己先建立ssm文件(阻焊层symbol)和 psm 文件(助焊层symbol),然后导入到Pad Editor,略显麻烦,但是可以自定义。本篇暂
免责声明:本文系网络转载或改编,未找到原创作者,版权归原作者所有。如涉及版权,请联系删