首先,先说下本次练习对象
简单的 光 敏小夜灯
按制图流程
F N J B 一套连招创建PCB工程,然后右键为新建的工程添加原理图文件
完成后如下图所示
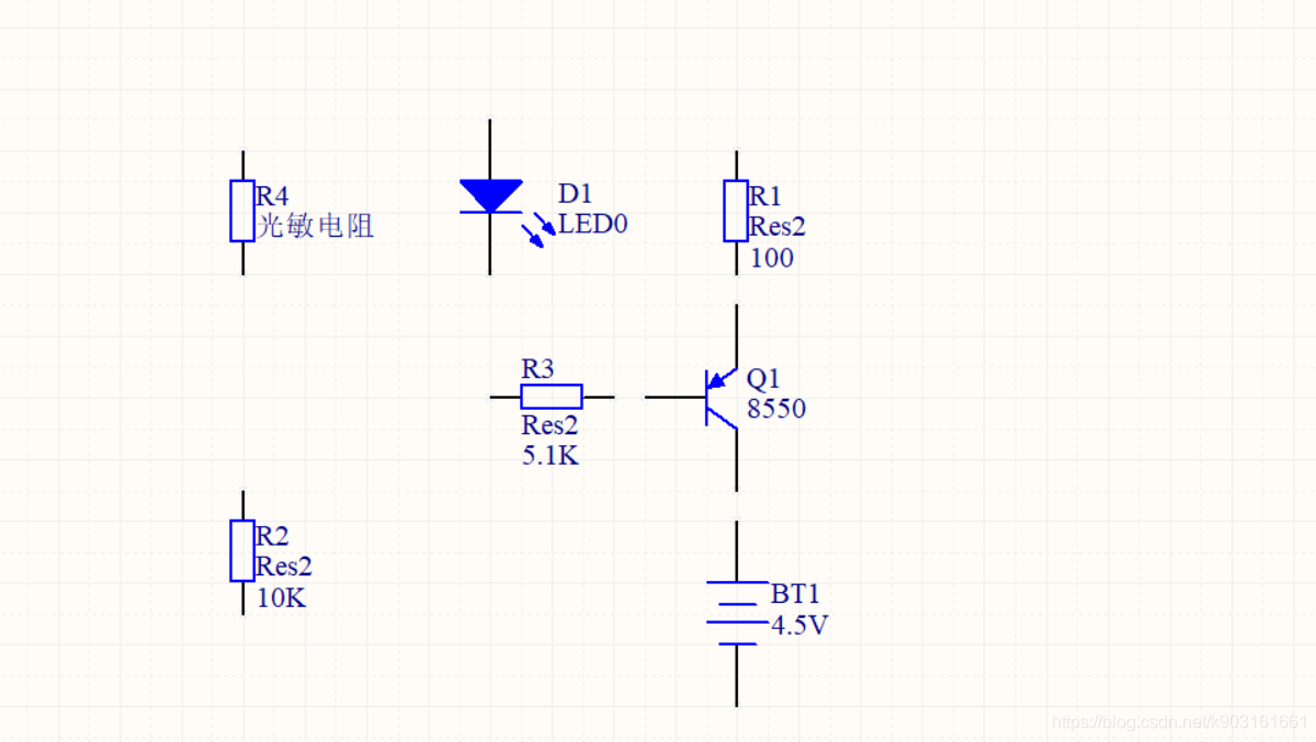
D B 浏览库,搜索res(电阻英文缩写)
加入电阻
ps: 此处由于官方的元件库中无光敏电阻故而用普通电阻代替
直接搜索PNP或是NPN


ps: 对于标注符号,只要统一即可,不用纠结在某些标准之上,约定俗成很重要。

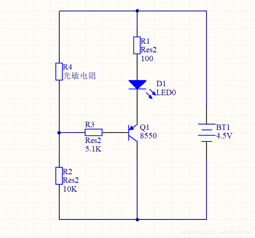
可以直接将元件拖过去,当连接处出现如图所示的红色叉子后表明原件已正确连接
连接全部元件
美化(强迫症)
所谓对称的美感😂
比如可能会出现看上去似乎是连接的但是放大后却斌没有连接的现象,又或者三根导线的连接处是否有点,这些细节上的问题都需要将图放大一点点仔细的去找。大多都是经验之谈,再加上本次的图较为简单,故而再此不再赘述
喏,就是右下角这里
P T 加入文本 字符串 并输入信息
按此方法可以将图中信息填写完整
当然 P T 也可以在2图中任意处添加注释信息
相对此处的注释而言,前一节提到的 文本文件 更适合作为一个日志类的文档存在…
首先先说下PCB与原理图之间的关系
正确的做法是先画好原理图,确定好各个元件之间的连接关系再生成PCB
当然它也可以直接画PCB图,只不过这样生成的PCB图与原理图并无太大关系,一些简单功能也无法使用。
故而为了检查方便且使得PCB与原理图产生一定联系的话,先画原理图再生成PCB图。
此处由于使用的是官方的集成库(元器件的 PCB封装 与原理图绑定),故而只需要再检查一下原理图即可。
工具 -> 封装管理器
下图左边显示了所有的元器件,右下方就会显示对应器件的PCB封装的样子,名字和样式一一对应
检查无误后关闭该窗口
接着,在工程中新建一个空白的PCB文档
随手保存一下
返回原理图文件,点击设计 -> Update PCB Documnets …(此处一定看清是哪个PCB文件…)
然后会出现如下界面
实际就是检查所有的原理图与原理图库是否对应(类似于生成的内容列表)
第一部分(第一个红色 文件夹 )是元件
第二部分是网络(元件与元件间的连接)
三是组件类
四是空间
接下来生效更改(让打勾的显示出来/生效),执行更改
执行后可以勾选下面的"仅显示错误"来查看存在的报错
无误后将其关闭,可以看到生成的PCB版
左边黑色的即为未来的PCB板
选中红色背景框按Del即可将其删去(多元件时可以方便使用,当然,即便不删也能自由拖动各个元件)
接下来对元器件进行简单的摆放
明显,板子的尺寸比图要大很多,下面,我们来对板子尺寸进行简单修改
点击 设计 -> 板子形状 -> 重新定义板子形状
在设计的同时按G可以调节栅格宽度调大一些(50+)方便将线对齐,在矩形的四个角处各点一下再点击鼠标右键即可完成调整(如下图所示)
按3键切换到三维模拟
右键拖动,Ctrl+鼠标滚轮放大缩小
按住Shift+鼠标右键拖动即可实现三维的旋转
ps: 查看中有多种调整方式
此处以电阻为例(改为贴片式)
回到原理图
工具 -> 封装管理器 -> 按住Ctrl用鼠标左键选中所有需要更改的元件
点击编辑,选择Any即可对所有选中的元件进行修改(如下图)
搜索2012(实际中多为0805,制式不同)
光敏电阻暂且用它代替下
为了获取更小的封装库尺寸把LED也改成0805.(丧心病狂. jpg )
然后采纳变化
就又会得到一个与前文类似的框
生效更改,执行…(继续走流程.jpg)
完成后关闭
此时,原理图上的元件的封装已经修改
更新之前先将PCB文档先关闭掉(不关可能会error)
再次通过设计Update
然后又是流程…
完成后如下图
ps: 这个结果是因为我刚才关闭上一个PCB文件的时候没有选择保存,如果选择了保存则会保留上次的电路结构/形状而只改变对应元件的封装
参考视频链接:https://www.bilibili.com/video/BV1pt411p7jg?p=3
免责声明:本文系网络转载或改编,未找到原创作者,版权归原作者所有。如涉及版权,请联系删