本文总结一下AD画PCB的步骤,以防时间久了忘记一些小步骤。现在所用着的 AD版 本为AD17。
Altium Designer 17.1.5 ( build172 ) 点这里下载,密码:rwsx
1、创建工程,新建“PrjPCB”文件。
2、画原理图,新建“SchDOC”文件。画原理图时,如果没有的器件自己绘制原理图库,同时绘制封装库,并在原理图库中指定原件封装,这样以后使用自己画的这一原理图封装就不用再手动添加封装了。系统自带的封装若不是想要的,还可以在属性里面指定封装。网络标号需要放在导线上,不能放在管脚上,否则可能不能检测到网络。电阻电容阻值大小写在元件的comment中,方便最后导出元件清单比较直观。
3、画PCB图,新建“PcbDoc”文件。然后切换到原理图下,到“设计”菜单下更新原理图到刚刚新建的“PcbDoc”文件。更新时,把room选项勾选去掉。
4、在画PCB图时,在“窗口”下点击“垂直分割”,将原理图和PCB图分别放到AD界面左侧和右侧。然后点击一下左侧的原理图窗口,在“工具”菜单下打开“交叉选择模式”,这样选中左侧原理图中的一部分元器件右侧的PCB窗口也选中了对应的元器件,这样就比较方便一部分一部分地进行PCB布局。
5、手动布局PCB元器件时遵循就近原则,布局好元器件后再开始手动布线。
6、大概布线完成后就可以根据实际的布局更改PCB板为合适的大小了。更改PCB板大小的方法:“视图”——>“板子规划模式”,就可以绘制PCB板的大小了。
7、更改好PCB板的实际大小后,现在切换到keep-out layer层绘制PCB板的外边框。绘制外边框不能使用导线,要选择菜单“放置”——>“禁止布线”——>“线径”,然后才可以画PCB板的外边框。
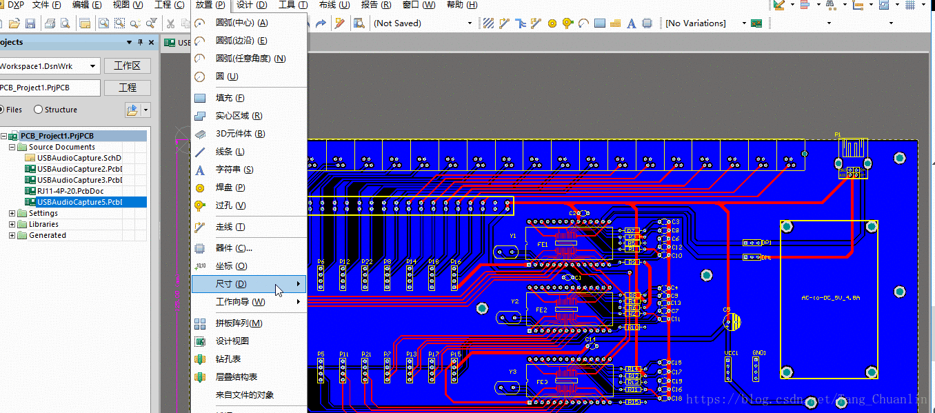
8、切换到Mechanical1机械层,再选择菜单“放置”——>“尺寸”——>“ 线性 尺寸”,点击PCB板边框角上的两个点量出PCB板的尺寸并放置。放置尺寸时按住空格键可切换需要测量的尺寸的方向。
9、在PCB板的四个角落放置螺丝孔,一般设置3.1mm的孔径,5mm的外径。
10、布线完成后添加滴泪。菜单“工具”——>“滴泪”——>“添加”——>“确定”。注意:滴泪不能重复添加,若是要修改某根导线,则应该先移除全部滴泪,然后修改导线后重新添加滴泪。
11、最后该覆铜了。在覆铜前应将布线规则中的Clearance(导线和焊盘间的距离)改为20mil,然后再覆铜。

12、点击菜单“放置”——>“铺铜”进行覆铜。
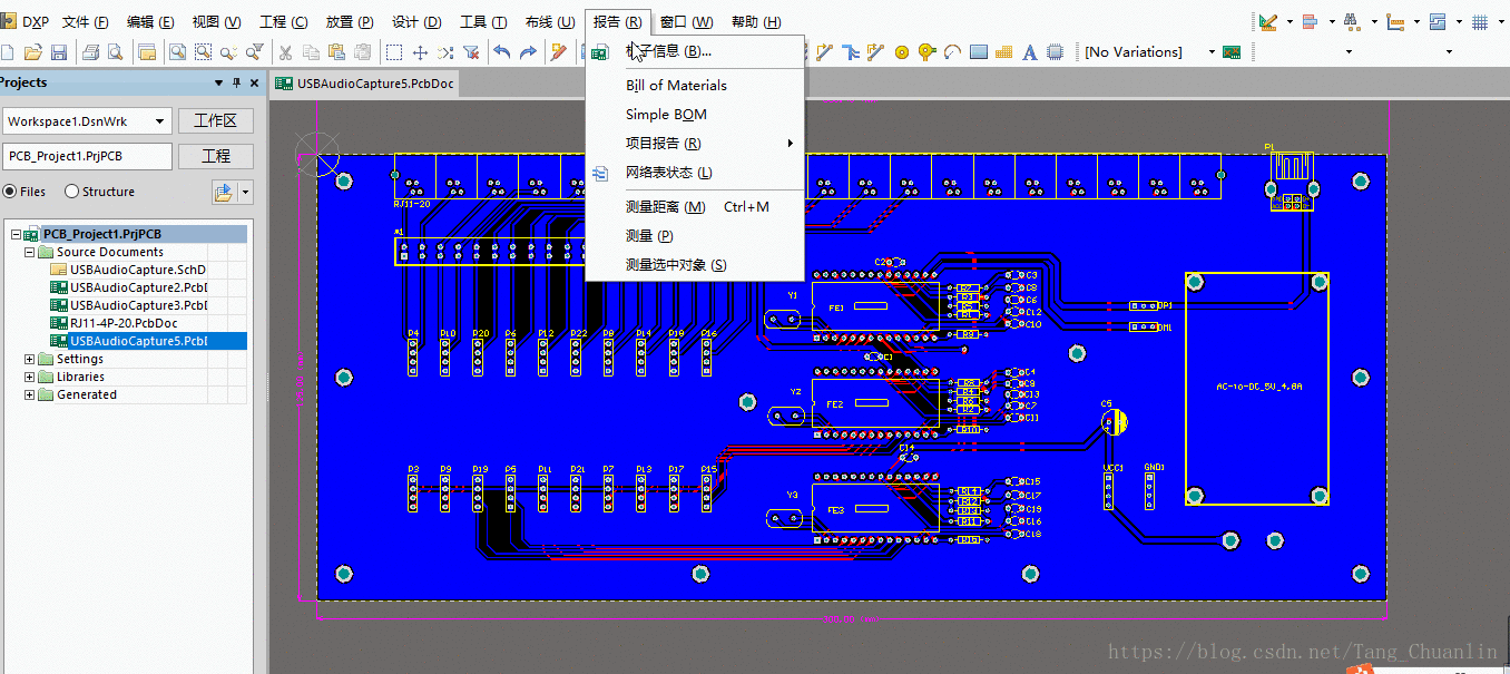
13、点击菜单“报告”——>“板子信息”——>“报告”—— 勾选上“Routing Information”——>“报告”,弹出的网页上就会剩余的连接点数量,若为0,则说明全部连接点都连到一起了。若是不为0 ,则说明还有导线没有连接。需要回去检查PCB板上哪里的导线没有连接。
14、若是PCB板上有导线没有连接,则回到PCB板中,按住“ shift + s ”,就可以查看到哪些导线没连接。
1、altium designer 绘制pcb步骤
2、关于Altinum Designer使用和PCB绘制的小结
3、画PCB板经验总结
免责声明:本文系网络转载或改编,未找到原创作者,版权归原作者所有。如涉及版权,请联系删