使用Allegro中画QUFQFPN48 - 48-leadPCB封装流程
1、打开Allegro 17.2,在菜单栏点击File >> New,然后在弹出的窗口中,设置Drawing Name为QFN48_7x7x05P,点击后面的Browse按钮,选择好保存路径。然后在Drawing Type中下拉选择Package symbol,设置好之后点击OK。




2、在菜单栏点击Setup >> DesignParameters,就会弹出Design Parameter Editor窗口,我们在Design选项卡卡下面设置单位为mm,然后修改画图区域的尺寸为100mmx100mm,为了以画布中心为原点,需设置left x=-50,lower y=-50,设置好好之后点击Apply应用,然后点击OK关闭窗口。

3、在菜单栏点击Setup >> User References,就会弹出User References Editor窗口,左边的两个红色框所示找到设置焊盘路径的分支,然后按照右边的示意,设置路径为保存焊盘的路径。设置好之后点击Apply应用,然后点击OK关闭窗口。

4、接下来可以在绘图区中看到坐标原点,然后在菜单栏点击Layout>> Pins放置焊盘。点击完之后会在Options窗口中出现图中的内容,在Padstack处选择我们要放置的焊盘。
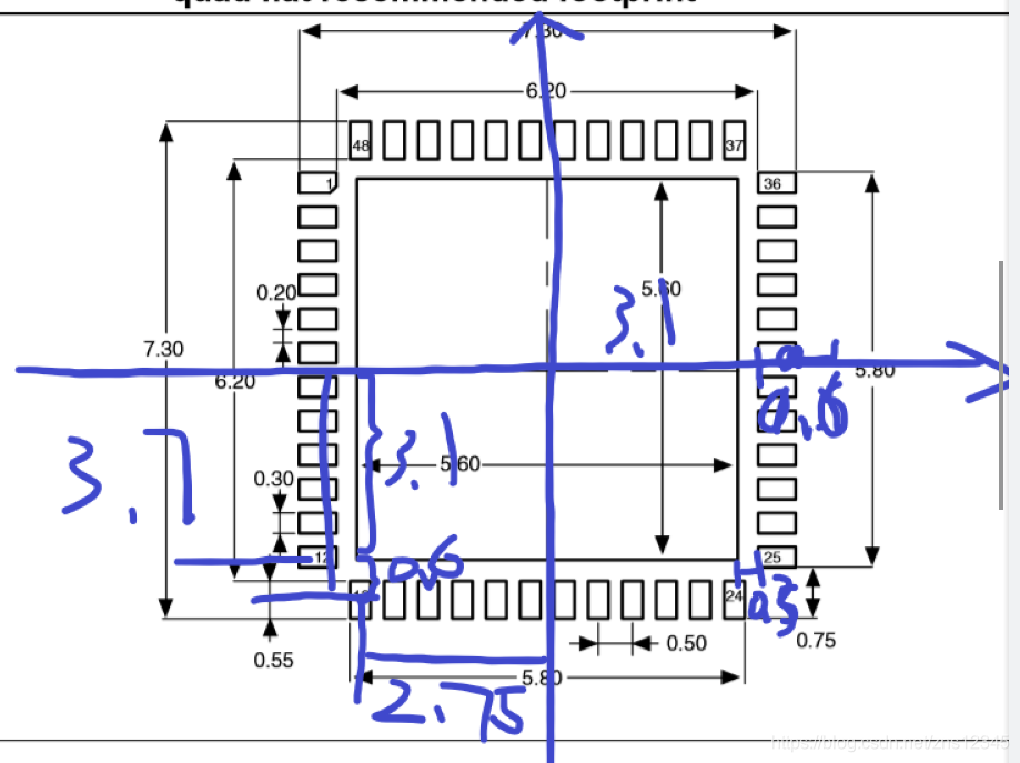
其中x指的是水平方向位置,Qty指的是要放置焊盘的数量,Spacing指的是每个焊盘之间的间隔,Order指的是方向,比如left指的是从右到左。y后的参数以此类推。Rotation指的是旋转的度数。Pin#指的是焊盘标号从多少开始,Inc每次增加多少。Offset 的参数意义是焊盘标号距离焊盘中心的位置。
因为QUFQFPN48 - 48-leadPCB每排12个引脚,所以我们须设置x的数量为12,根据数据手册标识每个引脚之间间距为0.5,所以Spacing设置为0.5,最下面的OffsetX设置为0,然后拖动鼠标就可以看到焊盘被吸附在鼠标上等待我们放下。

接下来我们在软件窗口左下角的Command窗口中的命令行提示符“Command>”后面输入第一个引脚的坐标位置然后回车,就会放置焊盘。我们设置焊盘长度为1.2mm,根据计算结果得出x -2.75 y -3.7
然后回车,就会放置好一排12个焊盘如图5所示。其中刚才在输入命令的时候,其中的y 可以省略,但x字符和x坐标和y坐标数字中间的空格不能省略。这样我们就通过设置第一个焊盘的坐标位置以及和它同一排的焊盘的相对位置,就放置好了第一排焊盘,按照同样的方式放置其他三边的焊盘,这样我们就放置好了周围的引脚如图6所示。在放置的过程中,因为左右的焊盘方向和上下的焊盘方向不一样,还有左边的焊盘顺序是从上往下递增,而右边的焊盘顺序是从下往上递增,这样我们就需要灵活的通过设置Options选项卡中的方向和旋转角度来设置。最后我们再放置中间的焊盘到坐标原点。

6、放置好焊盘之后,我们给器件添加一个Place Bound Top的矩形。在菜单栏点击Add >> Rectangle,然后在右边的Options中设置Class和Subclass分别为PackageGrometry和Place_Bound_Top,然后在Command窗口输入x -4.5 -4.5回车画好矩形的第一个定点,然后继续输入x 4.5 4.5 来确定矩形的对角定点,回车之后,矩形就画好了如图所示。


7、接下来添加Assembly_Top,在菜单栏点击Add >> Line,然后在右边的Options中设置Class和Subclass分别为PackageGeometry和Assembly_Top,然后在Command窗口输入坐标x -4.5 -4.5回车。然后鼠标右键选择Done或者按键盘上的F6来结束划线。画好之后如图所示


8、接下来添加SilkScreen_Top,操作和添加Assembly_Top大体相同,唯一区别是这一步我们需要在Options中把线宽设置为0.12mm。另外,我们只绘制四个角位置的丝印,绘制好之后如图所示。

9、接下来在Assembly_Top上添加引脚1标识。在菜单栏点击Shape >> Circular,然后在右边的Options中设置Class和Subclass分别为Package Grometry和Assembly_Top,然后在Command窗口输入坐标x -2.75 -4.75回车,输入ix 0.25回车。这样就画好了Assembly_Top上的引脚1标识如图所示。

直插原件的绘制与SMD原件绘制大同小异,就不多做列举。
能力有限,如果哪里有错,请指正,一起交流学习!
免责声明:本文系网络转载或改编,未找到原创作者,版权归原作者所有。如涉及版权,请联系删