.png)
.png)
.png)
.png)
.png)
建模步骤
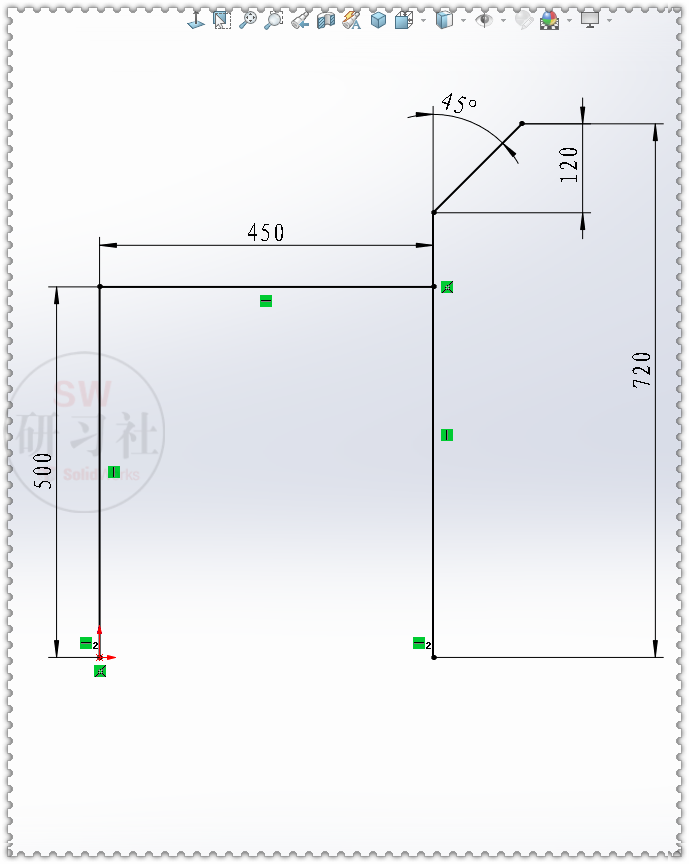
1.【右视基准面】画草图。
.png)
2.【拉伸凸台】两侧对称:500 ;薄壁特征:50 。
.png)
3.【倒角】60-45度 。
.png)
装配体
.png)
2.管道:Threaded fittings (npt) ——threaded steel pipe;基本配置:1in,Sch40 ;(这个管道是软件自带的,但有些没有安装,所以今天也分享了2019版的)
.png)
2-1.弯管:90度弯头 。
.png)
2-2.确定后自动生成一段管道。
.png)
3.沿着实体边线画草图:
.png)
4.添加:8个三通 ,用Shift键+方向键可以旋转方向。
.png)
5.删除部分三通上的直线。
.png)
5-1.合并端点:Ctrl键+直线端点+三通点。
.png)
6.继续添加三通。
.png)
6-1.合并端点,添加:尺寸;底部4段竖线添加相等几何关系。
.png)
7.继续添加10个三通。
.png)
7-1.删除同一个方向的直线。
.png)
7-2.合并端点。
.png)
8.四段直线添加:相等几何关系。
.png)
9.三段直线添加:相等几何关系。
.png)
10.给定底部添加堵头。
.png)
.png)
11.退出草绘是会出现提示:顶部45度的位置需要指定弯头;选择45度弯头——勾选:为相同圆弧使用这些设定。(需要设定两次)
.png)
.png)
12.最后换个外观。
.png)
13.完成。
.png)
.png)
.png)
文章来源:Solidworks研习社