客户需求:
1. 搭建同步电机发电模型,包括励磁系统;
2. 搭建异步电机(双鼠笼式)自耦变压器降压启动模型;
3. 搭建异步电机(双鼠笼式)晶闸管软启动模型;
4. 支路电压降小于390*15%;
5. 电机定子电流尽量要小,至少小于直接启动模式(15000+);
方案设计
1. 根据用户所给的数据,搭建同步电机发电模型,先论证其准确性;
2. 搭建自耦变压器降压启动模型,调试参数,使得满足用户要求;
3. 搭建晶闸管软启动模型,调试参数,满足用户要求;
4. 与用户核对是否达到其目的,完成交易;
案例展示
1. 同步电机发电模型:

图 1.同步电机发电模型
用户数据为:

图 2.用户提供的同步电机数据
模型中对应的同步电机数据为:

图 3.模型中同步电机参数设置
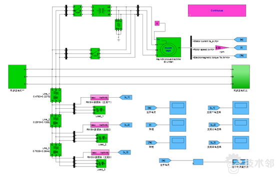
2. 自耦变压器启动模型:

图 4.自耦降压模型
经过多次试验,调试了自耦变压器参数(用户未给出),并设计在4 s内接入电路,18 s时脱开,有以下结果:
1. 支路电压波形,最大压降340+ V,满足客户需求(最大电压降小于390*15%);

图 5.自耦降压启动中支路电压降波形
2. 电机定子电流模型,最大值9700- A,小于直接启动的15000+ A,满足要求

图 6.自耦降压启动中电机定子电流波形
3. 电机转速与转矩均正常,此处不展出
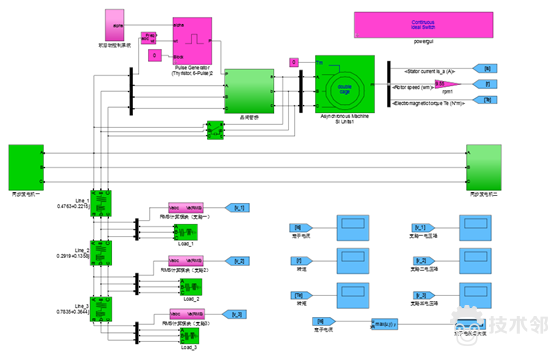
3. 晶闸管软启动模型:

图 7.晶闸管软启动模型
利用晶闸管桥与六脉冲生成单元实现软启动,主要是利用控制晶闸管的导通角,以达到用户的需求,结果如下:
1. 支路电压波形,最大压降360+,满足客户需求;

图 8. 晶闸管软启动支路电压降波形
2. 电机定子电流模型,最大5600-,小于直接启动的15000+,满足要求

图 9. 晶闸管软启动支路电压降波形
3. 转速与转矩均正常。
总结
该用户自己尝试了很多次没有成功才找到我,我给出了修改方案,讲解了原理,并与用户一起核对参数,用户与我都有了一定的成长,我认为这就是技术邻这个平台的意义与价值所在.
说明
1. Matlab版本为2015a;
2. 给出直接启动作为对照;
模型