L A B : V r e f = 1.2 o r 0.8 , ∂ V r e f ∂ T ∣ T = 60 ° = 0 , I D 4 = 10 u LAB :V_{ref} = 1.2 \,or\,0.8 ,\frac{\partial V_{ref}}{\partial T} \small \mid T=60°=0,I_{D4} = 10u LAB:Vref=1.2or0.8,∂T∂Vref∣T=60°=0,ID4=10u

∣ I D 4 ∣ = V T ln n R 1 + ∣ V B E 1 ∣ R 2 = 1 R 2 ( ∣ V B E 1 ∣ + R 2 R 1 V T ln n )
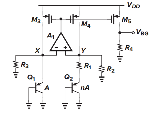
|𝐼𝐷4|=𝑉𝑇ln𝑛𝑅1+|𝑉𝐵𝐸1|𝑅2=1𝑅2(|𝑉𝐵𝐸1|+𝑅2𝑅1𝑉𝑇ln𝑛) | I D 4 | = V T ln n R 1 + | V B E 1 | R 2 = 1 R 2 ( | V B E 1 | + R 2 R 1 V T ln n ) ∣ID4∣=R1VTlnn+R2∣VBE1∣=R21(∣VBE1∣+R1R2VTlnn)
V B G = R 4 R 2 ( ∣ V B E 1 ∣ + R 2 R 1 V T ln n ) V_{B G}=\frac{R_{4}}{R_{2}}\left(\left|V_{B E 1}\right|+\frac{R_{2}}{R_{1}} V_{T} \ln n\right) VBG=R2R4(∣VBE1∣+R1R2VTlnn)



运用 deriv 函数 添加 VBE1 ,VBE2 的斜率到输出,再添加 ΔVBE 的斜率
∂VBE1 肯定比 ∂VBE2 要大,这样 ∂ΔVBE 才会为正

用 (1) 可以算出 R1 / R3 = 9.47(使左边为 0 达到 0 温度系数)
∂ V out ∂ T = ∂ V B E 1 ∂ T + ( k q ln n ) R 1 R 3 ( 1 ) = ∂ V B E 2 ∂ T + ( k q ln n ) ( 1 + R 1 R 3 )
∂𝑉out ∂𝑇=∂𝑉𝐵𝐸1∂𝑇+(𝑘𝑞ln𝑛)𝑅1𝑅3(1)=∂𝑉𝐵𝐸2∂𝑇+(𝑘𝑞ln𝑛)(1+𝑅1𝑅3) ∂ V out ∂ T = ∂ V B E 1 ∂ T + ( k q ln n ) R 1 R 3 ( 1 ) = ∂ V B E 2 ∂ T + ( k q ln n ) ( 1 + R 1 R 3 ) \,\,\,\,\,\,\,\,\,\,\,\,\,\,\,\,\,\,\,\,\, ∂T∂Vout =∂T∂VBE1+(qklnn)R3R1(1)=∂T∂VBE2+(qklnn)(1+R3R1)

上面求得
∂ V B E 1 ∂ T ∣ T = 60 ° = − 1.7 m V / ° C , ∂ V B E ∂ T ∣ T = 60 ° = 179 u V / ° C \frac{\partial V_{BE1}}{\partial T} |_{T=60°} = -1.7mV/°C,\frac{\partial V_{BE}}{\partial T} |_{T=60°} = 179uV/°C ∂T∂VBE1∣T=60°=−1.7mV/°C,∂T∂VBE∣T=60°=179uV/°C
当 R1 / R3 = 9.47 温度系数为 0,对应现在电路图 R2 / R1 = 9.47
V B E = 0.7 V , V T = 26 m V , l n 8 = 2.1 V I D 4 = 1 R 2 ( 0.736 V + 9.47 × 54.65 m V ) = 10 u ⟹ R 2 = 124.8 K ⟹ R 1 = 13.18 K V_{BE} = 0.7\,V,V_T = 26\,mV,ln8=2.1V \\I_{D4}=\frac{1}{R_2}\left(0.736V+9.47\times 54.65mV \right)=10u \\\Longrightarrow R_2 = 124.8K \\\Longrightarrow R1= 13.18K VBE=0.7V,VT=26mV,ln8=2.1VID4=R21(0.736V+9.47×54.65mV)=10u⟹R2=124.8K⟹R1=13.18K
从三极管的温度曲线仿真得 VEB1 = 0.736V ,即输入共模电平为 0.736V,输出可以通过MOS管仿真得到为 1.565V
V i n = 0.736 V , V D D = 2.5 V , V O U T = 1.565 V , A V = 60 d B 左右 V_{in} = 0.736V ,V_{DD} = 2.5 V,V_{OUT} = 1.565V,A_{V}=60 dB左右 Vin=0.736V,VDD=2.5V,VOUT=1.565V,AV=60dB左右



VBE的值没有达到我们的预期736mV,OP的输出也增大一点

调节 R2 与 R1 可以调节温度特性,也可以调节电流大小,减少 R2 提高电流,R3相应比例变化
R3 = R4 = 121.55K ,R2 = 12.855K
在60°电压将不受温度影响


相位裕度太低了,加一个补偿电容,米勒补偿效果并不是很好,其实调节gm1更加有效,可以使得第二极点变大



这个只是简单的进行了设计,有很多地方有待优化,放大器的增益与相位裕度,偏置电路,启动电路都有待优化。
免责声明:本文系网络转载或改编,未找到原创作者,版权归原作者所有。如涉及版权,请联系删