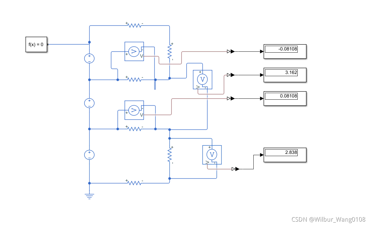
因为前几天AFE 均衡 电路 故障误报,所以仿真了一下LTC AFE的电压采样电路,电路非常简单,但是一直报错“
- Steady state solve failed to converge.
- Nonlinear solver: Linear Algebra error. Failed to solve using iteration matrix.
- The model may not give enough information to make it possible to solve for values of some of its variables. Specific advice is given below.“

折腾了半天,才发现是因为电路 仿真 的时候,没有接参考地

免责声明:本文系网络转载或改编,未找到原创作者,版权归原作者所有。如涉及版权,请联系删