电动机的监控是一门很大的学问。电动机的监控与电力监控SCADA有关,与过程控制DCS有关。SCADA更偏向监视,DCS更偏向控制。
1.电动机被监控的内容
(1)电动机的绕组温度。采用在线圈中埋设PTC热敏电阻的办法来实现。

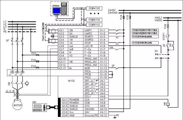
这是低压电动机马达综保的外围线路图

此图是电动机的T6温度曲线,它与电动机的运行温升密切相关。
电动机的热过载测量和保护。
(2)电动机的工作电流、工作电压。采用电流和电压传感器测量。
(3)电动机的转速。采用速度传感器测量。
(4)电动机外围电路的工作状态,例如断路器和接触器的工作状况,一般表现为开关量。
(5)电动机其他运行参数和保护,例如三相不平衡、断相、热过载、温升、电压凹陷对策、起动方式等等,可通过上述几个基本测量方法综合后得到。


电动机的堵转保护
2.数据传递方式
数据传递方式有两种:一种是4~20毫安的信号传递,另一种用现场总线技术传递。
第一种方式数据稳定,抗干扰性能强,但布线较多,成本也高;第二种方式方便快捷,但可靠性略低。
3.现场层面的数据总和与处理
数据总和与处理有三种方式:
第一是利用专门的仪器仪表来执行,例如电动机综合保护装置。数据总合后,直接通过现场总线发布到通信管理机。这种方式既可就地控制和保护;
第二是利用继保装置来总合和控制,其原理与第一种差不多,不同的是前者是马达综保,后者是继保装置。一般地,马达综保多用于低压(380V),而继保装置则用于中压(6到10KV)。总和数据也通过现场总线发布的通信管理机;
第三是利用通信管理机直接测控。这种方式适用于大量小功率电机,测量内容较少,甚至只需要知道电机是否运行既可。其测控数据一般都是开关量,例如电机运行状态DI开关量,电机遥控开关量RO等等。通信管理机直接采集数据和直接遥控。
4.通信管理机与后台监控系统之间的数据交换
一般采取工业以太网。但也有采取现场总线的。
5.后台监控系统
后台监控分为SCADA和DCS。
SCADA关注点在于配电系统的工作状态是否稳定。因此它对电动机的正常运行状态,以及外围电路的工况十分关注。DCS关注点在于该电机的运行于工艺过程是否一致,是否满足工艺要求。往往DCS会根据工艺要求调整电机的运行参数,包括调速在内,甚至会动用PID来测控和调整该电机的运行。

言归正传,我们回到我们最初的问题:如何实现电动机远程控制呢?
第一步,把图1右侧中部的选择开关SA拨到远方档位上;
第二步,当然远方DCS要与图中的电动机综保装置通过现场总线连接在一起了;
第三步,就是远方按通信协议发送运行电动机的命令;
第四步,电动机综保装置执行命令,让接触器闭合,电动机得电运行、
从此以后,电动机的电流参数、温度参数、电压参数、电能参数、三相不平衡参数、过电流参数等等,均在电动机综保的管控之下。并且后台系统也能实时地了解电动机的各项运行参数。