专注于机械行业、专业、职业信息分享
服务于制造业百万工程师

国际上的通用语言,除了“英语”,还有一个小伙伴们可能不知道的,那就是“形位公差”,他是贯穿制造业设计、生产、品质管理等部门的国际通用“语言”。
“理想与现实的差距”--
只要是我们制作的产品,无论用多精密的设备,无论做多大的努力,其尺寸和形状也是无法完全符合理论数值要求的。
那么,做到多少才能与理论形状、位置相近呢?我们把该相近程度用数值来表示,这就是形状公差和位置公差,简称“形位公差”。

设计时,须将零件的形位公差按照规定的标准符号标注在图样上来传达信息。
形位公差的标准化——
随着全球化的发展,生产领域的国际分工与协作不断深化,然而各国之间相互联系存在困难以及生产习惯不同,该如何解决提高生产精度、还要确保互换性来降低成本的难题呢?形位公差的国际标准亟待统一。
1950年
工业化国家向ISO组织提出统一形位公差概念及文字表示方法的“ABC提案”
1969年
ISO组织正式发布形位公差标准ISO/R1101-Ⅰ:1969《形状和位置公差 第Ⅰ部分 概论、符号、图样表示法》
1978年~1980年
ISO组织推荐了形位公差检测原理和方法;中国正式重新加入ISO组织,并于1980年颁布形状和位置公差基本标准
1996年
ISO组织成立了专门的ISO/TC213“产品几何技术规范(GPS)”技术委员会,负责形位公差及其图纸符号国际统一化工作

经过多国的长期共同努力,终于有了这国际统一化的14项形位公差符号,喏,就是下面这张表,赶紧收藏吧~

文章有点长,
要读到最后哦!
形 状 公 差
01直线度
直线度,即通常所说的平直程度,表示零件上的直线要素实际形状保持理想直线的状况。直线度公差是实际线对理想直线所允许的最大变动量。

▲图样示例1:在给定平面内,公差带必须在距离为0.1mm的两平行直线间的区域。

▲图样示例2:在公差值前加注记号φ、则公差带必须在直径0.08mm的圆柱面内的区域。
02平面度
平面度 ,即通常所说的平整程度,表示零件的平面要素实际形状,保持理想平面的状况。平面度公差是实际表面对理想平面所允许的最大变动量。

▲图样示例:公差带是位于距离0.08mm的两个平行平面之间的区域。
03圆度
圆度,即通常所说的圆整程度,表示零件上圆的要素实际形状与其中心保持等距的状况。圆度公差是在同一截面上,实际圆对理想圆所允许的最大变动量。

▲图样示例:公差带必须在同一正截面上,半径差为公差值0.03mm的两个同心圆之间的区域。
04圆柱度
圆柱度是表示零件上圆柱面外形轮廓上的各点,对其轴线保持等距状况。圆柱度公差是实际圆柱面对理想圆柱面所允许的最大变动量。

▲图样示例:公差带是半径差为公差值0.1mm的两个同轴圆柱面之间的区域。
轮 廓 公 差
05线轮廓度
线轮廓度是表示在零件的给定平面上,任意形状的曲线,保持其理想形状的状况。线轮廓度公差是指非圆曲线的实际轮廓线的允许变动量。

▲图样示例:公差带是由包络一系列直径为公差0.04mm的圆的两包络线之间的区域。诸圆的圆心位于具有理论正确几何形状的线上。
06面轮廓度
面轮廓度是表示零件上的任意形状的曲面,保持其理想形状的状况。面轮廓度公差是指非圆曲面的实际轮廓线,对理想轮廓面的允许变动量。

▲图样示例:公差带是由包络一系列直径为0.02mm的球的两条包络线之间,诸球的中心理论上应位于理论正确几何形状的面上。

~读到这里,小小休息一下吧~
位 置 公 差

定向公差
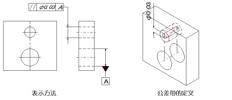
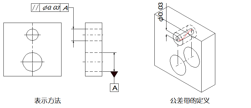
07平行度
平行度,即通常所说的保持平行的程度,表示零件上被测实际要素相对于基准保持等距离的状况。平行度公差是被测要素的实际方向,与基准相平行的理想方向之间所允许的最大变动量。

▲图样示例:如公差值前加注记号φ、则公差带为基准平行直径φ0.03mm的圆柱面内。
08垂直度
垂直度,即通常所说的两要素之间保持正交的程度,表示零件上被测要素相对于基准要素,保持正确的90°夹角状况。垂直度公差是被测要素的实际方向,对于基准相垂直的理想方向之间所允许的最大变动量。

▲图例说明:公差带前加注记号φ,则公差带垂直于基准面直径为0.1mm的圆柱面内。

▲图例说明:公差带必须位于距离为0.08mm且垂直于基准线的两平行平面之间。
09倾斜度
倾斜度是表示零件上两要素相对方向保持任意给定角度的正确状况。倾斜度公差是被测要素的实际方向,对于基准成任意给定角度的理想方向之间所允许的最大变动量。

▲图例说明:被测轴线的公差带是距离为公差值0.08mm,且与基准面A成理论角度60°的两平行平面之间的区域。

▲图例说明:在公差值前加注记号φ,则公差带必须位于直径为0.1mm的圆柱面内。该公差带应平行于垂直于基准A的平面B,并与基准A呈理论正确角度60°。

定 位 公 差
10位置度
位置度是表示零件上的点、线、面等要素,相对其理想位置的准确状况。位置度公差是被测要素的实际位置相对于理想位置所允许的最大变动量。

▲图例说明:公差带前加注记号Sφ时、公差带是直径0.3mm的球内区域。球公差带的中心点的位置是相对于基准A,B及C的理论正确尺寸。
11同轴(同心)度
同轴度,即通常所说的共轴程度,表示零件上被测轴线相对于基准轴线,保持在同一直线上的状况。同轴度公差是被测实际轴线相对于基准轴线所允许的变动量。

▲同轴度公差图例:公差值加注记号时,公差带是直径0.08mm的圆柱之间区域。圆形公差带的轴线与基准一致。
12对称度
对称度是表示零件上两对称中心要素保持在同一中心平面内的状态。对称度公差是实际要素的对称中心面(或中心线、轴线)对理想对称平面所允许的变动量。

▲图例说明:公差带是距离为0.08mm、且相对于基准中心平面或中心线对称配置的两平行平面之间或直线之间的区域。

跳 动 公 差
13圆跳动
圆跳动是表示零件上的回转表面在限定的测量面内,相对于基准轴线保持固定位置的状况。圆跳动公差是被测实际要素绕基准轴线,无轴向移动地旋转一整圈时,在限定的测量范围内所允许的最大变动量。

▲图例说明1:公差带是垂直于任一测量平面内,半径差为0.1mm,且圆心在同一基准轴线上的两同心圆之间的区域。

▲图例说明2:公差带是在与基准同轴的任一半径位置的测量圆柱面上距离为0.1mm的两个圆之间的区域。
14全跳动
全跳动是指零件绕基准轴线作连续旋转时,沿整个被测表面上的跳动量。全跳动公差是被测实际要素绕基准轴线连续的旋转,同时指示器沿其理想轮廓相对移动时所允许的最大跳动量。

▲图例说明1:公差带是距离为半径差0.1mm,且与基准同轴的两圆柱面之间的区域。

▲图例说明2:公差带是距离为半径差0.1mm,且与基准垂直的两平行平面之间的区域。
免责声明:本文系网络转载,版权归原作者所有。如涉及版权,请联系删除!文中内容仅代表作者个人观点,转载不同于本平台认同或者持有相同观点。

加微信:15311423147
申请加入机械工程师微信群!
商务合作加微信:695622910
点击下方“阅读原文”查看本公众号往期经典文章!