许可优化
许可优化
产品
产品
解决方案
解决方案
服务支持
服务支持
关于
关于
软件库
当前位置:服务支持 >  软件文章 >  详解地铁列车结构及构造原理

详解地铁列车结构及构造原理

阅读数 966
点赞 0
article_banner

作者:西安地下铁道有限责任公司乔辉地铁列车是地铁工程的灵魂和核心,起着穿针引线的重要作用,随着科技日新月异,地铁列车向更加轻量化、大载荷、高速度、高稳定性方向发展,它已经完全融入到我们的日常生活中,但它总给我们很神秘的感觉,本文将以更加详实和通俗的笔触来向大家揭开它的神秘面纱,让大家更了解地铁列车。 一、车辆简介  地铁车辆是地铁用来运输旅客的运输工具,它属于现代城市快速轨道交通的范畴。现代城市轨道车辆有如下特点: 1从构造上:列车采用动力分散布置形式。根据需要由各种非动力车和动力车(或半动力车)组合成相对固定的编组,两头设置操纵台。由于隧道限界、车辆限界、设备限界的限制,车辆和其各种车载设备的设计要求相当紧凑。在方便检修的同时,尽量采用模块化。 2从结构上,车体朝轻量化方向发展,主要采用大断面中空挤压铝型材模块化车体结构设计,采用整体承载结构;悬挂系统具有良好的减振系统;采用电气(再生制动和电阻制动)和空气的混合制动;车辆连接采用密贴式车钩进行机械、电气、气路的全自动连接;车辆间采用封闭式全贯通道,通过量大。 3从运用性能上:由于地铁的服务对象是城市高密度、大客流人群,并要与公交系统、小汽车形成竞争力,所以对其安全、正点、快捷上有很高的要求。同时要提供给乘客适当的空间、安静的环境及空调,使乘客感到舒适、便利。 4在运行方式上,应用列车自动驾驶系统ATO。在主牵引传动上,采用当今世界先进的调频调压交流传动。在辅助系统中,采用先进的IG-BT技术。 地铁车辆种类很多,性能各异。但是,它们的基本构造都是由以下几个主要部分组成:

车辆是地铁系统中最关键,也是最复杂的设备,它是多专业综合性 的产品,涉及机械、电气、控制、材料等多领域。总之,车辆是通过各个相对独立的子系统有机地结合在一起,共同来实现列车的安全、可靠、高品质运行的。  二、机械部分

1车体

一般车体采用模块化设计。它包括自支撑构架,用螺栓连接的司机室和中间端。车体构架和中间端是由铝合金大型型材和板组成,而司机室是由型钢构成的。焊接的型材与中间端和司机室端通过机械紧固装置相互连接。司机室和中间端都由较大的玻璃钢罩板覆盖。通过车钩系统中的压溃管吸收能量。当发生事故时车前端的防爬装置能够分散碰撞力。 列车通过贯通道连接在一起,贯通道上设计有折棚和位于车钩上的渡板。列车表面喷涂根据城市的特点进行。 

2车门

根据车辆运营环境的不同,选择不同的车门。以广州地铁二号线车辆采用外挂式电控电动门为例。它由双向作用的电机为驱动装置,采用皮带传动及丝杆装置作为传动机构。由EDCU(电子门控单元)来控制车门的开关及锁定。在司机室操作控制按钮,通过EDCU控制电机转动来实现车门的开关,并设有障碍物探测重开门。由行程开关给出车门的状态信号,故障信号由EDCU通过编码硬线传送给VTCU(车辆及列车控制单元)。 从安全可靠性上来讲,移动门一般适用于速度低于100km/h的列车上。特别是外挂门,由于外挂门属于外吊悬挂式结构,下部悬空无支承。当列车在隧道中运行,随着速度的提高,其空气的阻塞比大大增加,对外吊的悬挂门产生较大的压力。如果门的结构及强度不随速度的提高而改进设计的话,车门会产生晃动等不稳定因数,影响车门的安全可靠性。 由于移动门的结构决定车门与车体之间必须保证一定的间隙,因 此,移动门的密封性差。当列车达到一定的行驶速度时(超过100km/h以上)便会产生车厢内窜风,给乘客带来不适;在车辆进出隧道等外界压力变化时,车内压力随着变化,舒适性下降。由于移动门的密封性差,车辆走行部件产生的噪音很容易传入车内;同时由于移动门或凹或凸于车体,列车在行驶中会使附近的空气产生涡流,空气阻力大,也就限制了移动门的使用速度。 塞拉门由于与车体在同一平面内保持列车较好的流线型,所以具有密封性好、空气阻力小等特点,但塞拉门的结构较移动门复杂,且造价较高。 车门的形式种类虽然各不相同,但实现的功能却大同小异,性能参数也差不多。 为了安全起见,逃生装置在前端墙的中部,包括一个在顶部铰接的大窗和位于两个司机台之间的一个梯子,正常情况该梯子折叠并隐藏起来。在列车不能到达下一站时,逃生装置用于疏散乘客。

3车钩及缓冲装置 

车钩缓冲装置由车钩及缓冲器等部件组成,装在底架牵引梁上,是车辆的一个安全部件。其作用是: (1)将车辆互相联挂,联结成为一组列车;(2)传递纵向牵引力和冲击力;(3)缓和车辆之间的动力作用;(4)实现电路和气路的连接。车钩缓冲装置共分三种类型:自动车钩、半自动车钩、半永久牵引杆。三种车钩均设有可复原能量吸收功能,采用橡胶缓冲器。在自动车钩和半永久牵引杆上还设有超载保护装置,不可复原的可压溃变形管。其结构均采用先进的密贴式车钩,它是依靠相邻车辆钩头上的凸锥和凹锥口互相插接,起紧密连接作用。其优点是:节省人力,保证安全方便。缺点是:构造较复杂,强度较低。所以适用于地铁、轻轨等轻型轨道车辆上。 

4转向架 

转向架是支承车体并担负车辆沿着轨道走行的支承走行装置。为了便于通过曲线,在车体和转向架之间设有心盘或转轴,转向架可以绕一中心轴相对车体转动。为了改善车辆的运行品质和满足运行要求,在转向架上设有弹簧装置和制动装置。对于动车,转向架上还装有牵引电机和减速机构,以驱动车辆运行。转向架主要由以下部分组成:轮对轴箱装置、弹性悬挂装置、构架、制动装置、牵引电机和齿轮变速传动装置、转向架支承车体装置。另外,在拖车转向架上还安装了ATC的通讯天线。 车辆在轨道上运行时,由于线路的不平顺、轨隙、道岔、轨面的缺陷和磨耗以及车轮踏面的斜度、擦伤和轮轴偏心等原因,常会伴随产生复杂的振动和冲击。为了提高运行的平稳性必须设有弹簧减振装置,空气弹簧在改善车辆的动力性能和运行品质上具有显著优点,被地铁和轻轨广泛应用。为了改善车辆的振动性能,地铁上大多采用液压减振器。 由于地铁承担运送乘客的任务,并且运行于地下隧道或高架线路上,要求转向架有较低的噪声和良好的减振性能,并且能适应重载和空载变化的能力。一般广泛采用空气弹簧和橡胶弹簧作为弹性悬挂元件,弹簧减振装置包括一系悬挂——人字形多层橡胶弹簧或者圆锥弹簧、二系悬挂——空气弹簧、垂向液压减振器、横向液压减振器、抗侧滚扭杆和横向橡胶缓冲挡。 牵引传动装置在电动客车中占有十分重要的地位,是驱动列车运行的核心装置。包括一个牵引电机,齿式联轴节和齿轮。其作用是将牵引电机输出的功率传给轮对。车辆的驱动机构是一种减速装置,用来使高转速、小扭矩的牵引电动机驱动阻力矩较大的动轴,对驱动机构的要求:能使牵引电动机功率得到发挥;电动机电枢轴应与联轴节保证同心度,以降低线路不平对齿轮的动作用力。用方框图来简述传动线路:

 牵引电机采用三相交流感应电机,由于采用这一电传动方式,牵引性能良好,运行可靠,使车辆具有良好的牵引制动性能。

5制动装置 

据成熟地铁经验,摩擦制动采用闸瓦制动。为了改善摩擦性能和增加耐磨性,大多数地铁车辆采用合成闸瓦。但合成闸瓦的导热性能较差,又选择了导热性能良好的产品——粉末冶金闸瓦。既具有较好的摩擦性能,又有良好的耐磨性。在闸瓦制动方式中,动能转化为热能的能力大,但热能散于大气的能力相对较小。当要求的制动功率较大时,有可能发生产生的热能不能散失到大气中,而在闸瓦与车轮踏面积聚集,使他们的温度升高,严重的会导致闸瓦熔化或车轮踏面产生裂纹。因此,在采用闸瓦制动时,对制动功率要有限制,即在车辆上安装一定的防滑系统。 动力制动在制动时,将牵引电机变为发电机,使列车动能转化为电能,对这些电能的不同处理方式形成了不同方式的动力制动,主要有电阻制动和再生制动。其中的再生制动是把电动车组的动能通过电机转化为电能后,再使电能反馈回电网给别的列车使用。显然这种方式既能节约能源,又减少了制动时对环境的污染,并且基本上无磨耗,是当前地铁行业首选的制动方式。在制动控制系统方面,目前的制动系统主要有空气制动系统和电气制动控制系统,在比较两者后,发现电气制动更具有优越性,电气制动的主要优点是全列车制动和缓解的一致性好,在制动和缓解时纵向冲击小,制动距离短,便于做到动力制动和空气制动的协调。 

6车辆内部设备

车辆内设包括服务于乘客的车体内的固定装置如车电、通风、取暖、空调、座椅、拉手等和服务于车辆运行的设备装置大多吊挂于车底架,如蓄电池箱、继电器箱、主控制箱、电动空气压缩机组、总风缸、电源变压器、各种电器开关和接触器箱等。故障率较高的空调需要经常清洗,大多采用车顶修和拆卸修。此设备中,控制器的故障率较高,主要是影响客室环境,不对行车造成影响,需要使用大量的备件进行替换。  三、电气部分 

1牵引及电制动系统 

牵引及电制动系统是列车运行的核心装置,包括高速断路器、牵引逆变器及其控制单元、牵引电动机、联轴节、齿轮箱、制动电阻,其作用是将从电网输入的电能经转化后控制牵引电机的运转,牵引电机输出的功率传给轮对驱动列车运行,列车制动时将列车的动能转化成电能反馈回电网或送到制动电阻上变为热能散发出去。牵引能量的传送路径如下: 接触网→受电弓→高速断路器→牵引逆变器→联轴节→齿轮箱→轮对。 电制动一般有再生反馈制动和电阻制动两种形式。再生制动的能量传送路径与牵引的正好相反,电阻制动则是电能从逆变器出来后进入制动电阻消耗掉。现在的电制动系统由于逆变器功率元件的能力不足,在某些情况下如满载、高速等,还不能满足列车制动的全部需求,往往需要气制动来补充。 列车的高压电路设计通常是1500V(750V)电从受电弓(集电靴)进入列车后,分开两路。一路为牵引系统电路,经各个动车的高速断路器进入牵引逆变器VVVF(包括平波电抗器和电容充电电路),高速断路器的作用是牵引电路的过电流和对地保护,一个高速断路器保护一个或两个VVVF,其闭合分断除由司机操作控制外,同时可在电流过大时自行分断,或由列车控制系统或牵引控制单元DCU控制分断。牵引逆变器输出的变频变压电压并联供给4台(车控)/2台(架控)牵引电机,驱动列车运行。牵引电路的负极电流经接地端→车辆接地箱→轴箱碳刷→轮轴→车轮→钢轨流回牵引变电所。另一路经熔断器和隔离二极管送入贯通整列车的1500V(750V)高压线,给列车的三相交流380V电源和直流110V电源供电,辅助电路的负极电流经同样的路径返回牵引变电所。 

2辅助系统

辅助系统包括辅助电源、蓄电池充电器、辅助逆变器。辅助电源系统指三相交流380V电源和低压直流电源,其中低压直流电源包括110V直流电和24V直流电,仅以广州地铁二号线车辆为例,380V交流电的负载有:空气压缩机、空调系统、各类风机、220V插座等;110V直流电的负载有:有触点控制电路、各系统的电子控制电路、照明电路、指示灯、车门驱动系统、广播系统、乘客信息显示系统、紧急通风电源等。 蓄电池是列车的重要设备,为在运营时列车失去外来供电的情况下提供临时供电,是必不可少的安全保障,也是列车停放后重新激活的电源。从其负载就可看出,蓄电池的供电能力对运营列车是必须得到保证的。列车上蓄电池也是两组设置的,设计的总容量可满足45分钟内列车部分110V控制电路、各系统电子控制电路、指示灯、广播系统、乘客信息显示系统部分功能、客室紧急通风、紧急照明以及开关一次客室门的要求。 辅助逆变器通过一个直流1500V馈线连接到列车两个受电弓上,即使一个受电弓从架空网上脱落,辅助逆变器也不会脱离电源;采用冗余结构,两个相对独立的380V电源给三辆车供电,每一个电源供给每辆车的一半负载。关键负载(如蓄电池充电器)可以从任意一个电源供电。 

3空气制动及供风系统 

在目前城轨车辆所采用的制动方式中,制动力的源动力主要为压缩空气的压力。以压缩空气为源动力的制动方式称为空气制动;以电 磁力为源动力的制动方式称为电制动;还有机械制动、液压制动等方 式。现代动车组因列车控制技术的发展,实现了在车组内制动力预定的、可调节的分配,充分利用轮轨粘着,最大程度地使用再生制动,节省牵引能耗。比如:电制动时可只由动车承担全部制动力,如不足再按预定模式由拖车气制动补充;一个转向架因故障失去制动能力时可按预定模式由其它转向架相应提高制动力补充。 一节车的气制动系统从技术上分成3个组成部分:微机控制单元、模拟电指令→气制动压力和气缸压力→反馈模拟电信号转换装置、基础制动单元,再加上一些压力开关。 出于列车运行安全的需要,一列车配置两组空气压缩机组,且一组的工作能力可满足整列车的气制动供气需求。列车主风管贯通整列车。 

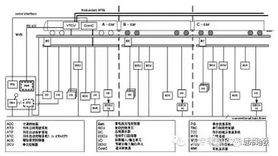
4列车控制系

列车控制系统就是列车的微机控制单元通过列车/车辆总线与各节车的各子系统/设备的微机控制单元(对有接点电路经过I/O转换端口)连接在一起,以通信协议方式建立实时的通信联系,进行指令、状态信息的传输,实现对列车状态的控制、监测、数据存储、故障诊断、显示以及人机界面交流。列车微机控制单元通常在列车的两端对称设置,功能相同,工作时一个为主机,另一个为从机。示意如图所示:

5列车自动控制系统(ATC) 

ATC系统包括自动驾驶(ATO)、自动保护(ATP)和自动监控(ATS)三部分。其作用主要是: (1)实现非完全脱离司机的人工驾驶;(2)停车点的防护;(3)速度监督与超速保护;(4)列车行车间隔控制;(5)及时监控列车位置。 在A车前端装有ATC传感器安装架。ATO将执行除“启动”外的列车自动运行(自动调速、自动停车、定点停车)。 ATP将执行列车安全速度和列车安全间隔的功能,当潜在的不安全条件产生时,ATP将施加紧急制动。ATP车辆接口设备将包括:速度计、天线、司机室显示器、控制器、电源适配器和ATO/ATO车载控制设备。 ATS将执行自动转换道岔、排列进路。

6列车故障自诊断系统 

列车采用微机故障自诊断系统,用便携式数据采集器采集各种有关数据,自诊断系统应用在列车总线系统中。另外还有列车的照明及通信广播系统。在轴箱上还装有速度传感器、接地装置。在车前端装有ATC传感器安装架。 

  7   通信和乘客信息系统

可提供的通信方式有4种:司机室对讲;司机室广播;无线电广播;数字化报站关门报警。通信系统的最大特点是扬声器的功率输出客室内和司机室内噪声大小自动调节。这样可保证在乘客多、噪声大的情况下也能清晰地听到广播。  乘客可从列车得到或传递信息:可通过每个厢两端的LCD显示牌知道与数字报站同步的到站信息;乘客可按压客室内紧急报警按钮向司机报警。 结束语  以上是从地铁车辆机械和电气两大块对地铁车辆进行的介绍,地铁车辆主要在地下较封闭的空间运行,具有启停频繁、乘坐舒适、快速准时等特点,这就使地铁车辆具有其自身独特的方面,例如车体密封性高、车体轻量化和混合制动等都是当今轨道车辆发展的先进技术;未来的地铁车辆将向安全化、快速化、大运量化和自动运行等方面发展,这些必将使地铁成为城市公共交通的中坚力量,为解决城市出行、缓解城市交通压力贡献自己的力量。

为了帮助轨交行业进一步提升技术在自主研发创新的应用,国内领先的学习平台“技术邻”,联合华东交通大学轨道交通技术创新中心开设“Altair HyperWorks™ 轨交行业轻量化&优化设计培训班”,专门根据轨交行业的产品和工艺的应用现状和前景,策划有行业针对性的系列培训。

培训目标

(1) 了解仿真驱动设计的理念和 HyperWorks 结构优化技术;

(2) 掌握轨道交通车体正向开发流程;

(3) 掌握轨道交通车体多学科优化设计和详细设计优化方法。

讲师介绍

培训大纲


免责声明:本文系网络转载或改编,未找到原创作者,版权归原作者所有。如涉及版权,请联系删

武汉格发信息技术有限公司,格发许可优化管理系统可以帮你评估贵公司软件许可的真实需求,再低成本合规性管理软件许可,帮助贵司提高软件投资回报率,为软件采购、使用提供科学决策依据。支持的软件有: CAD,CAE,PDM,PLM,Catia,Ugnx, AutoCAD, Pro/E, Solidworks ,Hyperworks, Protel,CAXA,OpenWorks LandMark,MATLAB,Enovia,Winchill,TeamCenter,MathCAD,Ansys, Abaqus,ls-dyna, Fluent, MSC,Bentley,License,UG,ug,catia,Dassault Systèmes,AutoDesk,Altair,autocad,PTC,SolidWorks,Ansys,Siemens PLM Software,Paradigm,Mathworks,Borland,AVEVA,ESRI,hP,Solibri,Progman,Leica,Cadence,IBM,SIMULIA,Citrix,Sybase,Schlumberger,MSC Products...

相关文章
技术文档
QR Code
微信扫一扫,欢迎咨询~
customer

online

联系我们
武汉格发信息技术有限公司
湖北省武汉市经开区科技园西路6号103孵化器
电话:155-2731-8020 座机:027-59821821
邮件:tanzw@gofarlic.com
Copyright © 2023 Gofarsoft Co.,Ltd. 保留所有权利
遇到许可问题?该如何解决!?
评估许可证实际采购量? 
不清楚软件许可证使用数据? 
收到软件厂商律师函!?  
想要少购买点许可证,节省费用? 
收到软件厂商侵权通告!?  
有正版license,但许可证不够用,需要新购? 
联系方式 board-phone 155-2731-8020
close1
预留信息,一起解决您的问题
* 姓名:
* 手机:

* 公司名称:

姓名不为空

姓名不为空

姓名不为空
手机不正确

手机不正确

手机不正确
公司不为空

公司不为空

公司不为空