 
    一、 塑料制品壁厚设计参考
 
    一、 止口和美工线尺寸
ID设计的止口和美工线简画法。其中美工线a=0.2-1.0。
 
    一、 加强筋的设计
加强筋的尺寸不宜过大,以矮一些,多一些为好。加强筋高度通常不超过壁厚的3倍,并有2~4度的拔模角度。加强筋之间的中心距应大于2倍壁厚。
 
    一、 角部加强筋设计
被置于部件边缘地方的加强筋还可以帮助塑料流入边缘的空间。
 
    一、 壁厚为2的止口筋
 
    一、 对叉筋
 
    
 
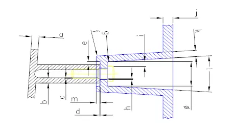
    一、 支柱、支柱套设计
1. 塑料件螺孔尺寸规格
 
    
 
    2.BOSS柱外径与内径之差不小于2.4mm,壁厚最薄不小于1.0mm
3.螺牙吃进BOSS塑胶最少三牙
4.螺丝尾端距离孔底最少预留0.3~0.5mm。
一、 靠边高支柱设计
 
    一、 不靠边高支柱设计
 
    一、 可安装PCB的支柱示例
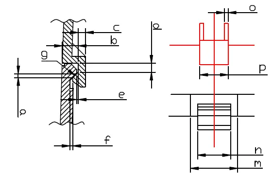
如支柱需要穿过PCB的时候,同样在支柱连上些加强筋,而且在加强筋的顶部设计成平台形式,此可作承托PCB之用,而平台的平面与丝筒项的平面必须要有2.0 ~ 3.0mm。
 
    一、 支柱和支柱套的配合
 
    
 
    一、 支柱与支柱套的设计示例(以ST2.9螺丝为例)
 
    一、 定位销
 
    一、 ¢4挂孔设计(未加围筋)
 
    一、 标准扣件尺寸
 
    
 
    
 
    一、 壳盖壁厚为2的扣件连接尺寸
 
    上下盖连接扣件分布间距
 
    一、 电池盖卡扣
 
    
 
    一、 Rubber key的一般结构
 
    一、 电池规格
 
    液晶显示LCD(Liquid Crystal Display)
 
    A:LCD A.A
θ:人眼看LCD的视角
B=T*tgθ, 通常用经验值:B=0.5mm.
C:Lens 可视区, C=A+2B
https://www.gofarlic.comLENS 与外壳X。Y方向间隙, D=0.1mm.
E:双面胶厚度, E=0.15mm.
F:双面胶与外壳外圈间隙 F=0.2mm.
G:双面胶宽度 ,因为模切要求H\U+22651.3,特殊情况可做到\U+22651.0mm.
H:双面胶与外壳内圈间隙。 F=0.4mm.
理论上 要求当生产线贴偏间隙跑单边时,另一边不会有胶超出外壳内况,导致粘灰。
实际上以手机为例,现在手机空间很紧,一般做到0.3,特殊情况,双面胶宽度不够时可以做到0.2,
要求装配单位做夹具贴双面胶。
I:LENS 厚度, 切割为0.8或1.0mm ,注塑为1.0mm ,厚度根据不同工艺有不同要求,详见
J: 外壳开孔区域与LENS 可视区域间距。J>K *tgβ, 通常用经验值J=0.5mm.
K:LENS 可视区与外壳支撑台价的之间的高度。
β:人眼看LCD的视角 。
T:LENS 表面到LCD 表面的距离。
 
    
