当前位置:服务支持 >  软件文章 >  电工常用电路实物图解:全彩实例详解

电工常用电路实物图解:全彩实例详解

阅读数 12
点赞 0
article_banner
  • 多地控制一盏灯

  • 基本电路之钢筋曲弯机控制电路

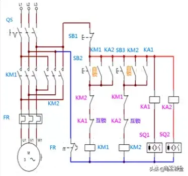
5.接近开关控制正反转电路

本电路是利用了接近开关和中间继电器配合使用来控制电机正反转.利用常开型接近开关的遇见物体瞬时导通的特点,让继电器吸合利用继电器的常让继电器吸合利用继电器的常开点起到开关的作用,实现电路控制要求.

工作原理:当启动SB2电源--KM2常闭--KA1常闭--KM1得电吸合并自锁正转运行,到达SQi时SQ1动作常闭点断开KM1断电,同时KM2-- KM1常闭--KA2常闭KM2得电吸合并自锁电机反转L当反转到达SQ2限位时KA2.吸合KA2常团点断开KM2停止工作, KM1得电实现了正反转自动循环工作的目的。

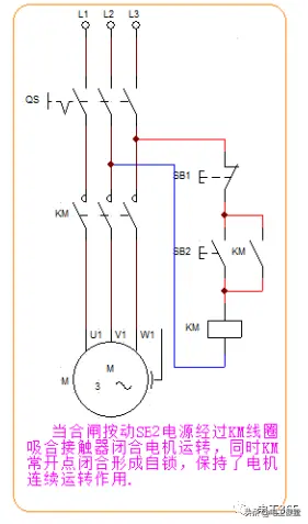
6.起保停电路

7.按钮互锁正反转

工作原理: 通电后启动SB2电源通过R附2的常闭点使K1线圈得电动机正转,KM1自锁常开点闭合常团点断开,此时按动SB3可以接启动反转。当启动SB3时电源通过SB2使2得电常闭点闭合自锁常团点断开,此时按动SB2可直接启动。实现了直接切换正发转的自的。

还有其他问题的话可以关注微信公众号:凡亿PCB

一起来探讨吧!!

以上来源于:头条电工课堂

往期推荐:

  • 如何在AD原理图中查找相应的元器件

  • 推荐 PCB布局思路分析 让你的布局从此简单!

  • PCB设计基本流程 & 布局布线基本原则和常识

  • 在Altium designer 中如何快速掌握绕等长的方式和方法呢?

  • 最齐全差分处理方法详解与信号分析

  • 电路板的工作原理 - 电路板为什么是绿色的_电路板上的元件介绍图


免责声明:本文系网络转载或改编,未找到原创作者,版权归原作者所有。如涉及版权,请联系删
相关文章
QR Code
微信扫一扫,欢迎咨询~

联系我们
武汉格发信息技术有限公司
湖北省武汉市经开区科技园西路6号103孵化器
电话:155-2731-8020 座机:027-59821821
邮件:tanzw@gofarlic.com
Copyright © 2023 Gofarsoft Co.,Ltd. 保留所有权利
遇到许可问题?该如何解决!?
评估许可证实际采购量? 
不清楚软件许可证使用数据? 
收到软件厂商律师函!?  
想要少购买点许可证,节省费用? 
收到软件厂商侵权通告!?  
有正版license,但许可证不够用,需要新购? 
联系方式 155-2731-8020
预留信息,一起解决您的问题
* 姓名:
* 手机:

* 公司名称:

姓名不为空

手机不正确

公司不为空