当前位置:服务支持 >  软件文章 >  电路板设计入门资料:准备工作与所需文档

电路板设计入门资料:准备工作与所需文档

阅读数 12
点赞 0
article_banner

为了方便大家的理解,在这里举个小例子将上次的内容进行更为详细的说明。

设计所需的资料

1,电路图

无论是手绘的还是CAD绘制的,总之,至少要有电路图才能进行电路板设计。

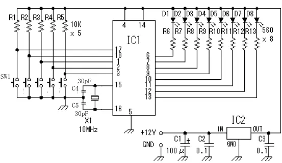
一个很简单的控制LED发光的电路图。

2,电路的消耗功率计算书 非必备

在没有专用软件的情况下,可以用免费的软件,例如LTspice来进行电路模拟。

另外通过笔算来进行验证,对自己日后需要查询的地方记录下电压值和正负,电流值和流经方向。

例如,闭合SW1的连接电阻器R5的通路,流经R5的电流:Ir5=5V/10kΩ=0.5mA,

SW1_5=close, Ir5=0.5mA

SW1的1到5同时闭合时,这个电路区域消耗的电流计算约为2.5mA。

诸如此类的方法,可以计算出各个主要元件区域所消耗的电流,整合起来便可估算出整个电路的消费电流。

当然很多因素会造成实际做出的电路板的消耗电流和估算出的有一定的误差。但一定程度上可以对电路进行设计上的评估,

选择更为合适的元件等。

在电路板设计中的应用是,可以根据某个区域所流经的电流,计算走线的宽度,特别对电压走线和GND走线来说尤为重要,另外可以以此为依据用来设计连接孔的大小和数量。

3,电路板用的电气网络清单

分为电路图电气网络清单和电路板电气网络清单。

很多时候,特别是对电路板改版时,是不会给出电气网络清单来的,这个时候就需要自己来做。

使用 protel99se的情况下,本人经常使用的有两种做法:

方法1)电路板设计中直接做电气网络节点名称,然后追加对应的元件引脚

方法2)按照电气网络清单的规格,利用txt文本文件,自己做一个电气网络清单,保存后,修改扩展名,然后导入到电路板设计中去。

无论哪一种做法,当电路板设计完成以后,一定要导出电路板设计里的电气网络清单,并与电路图进行比对,以检验自己的设计是否正确。

方法1)参照protel99se 操作说明。

protel99se 工具栏 ▷ 设计▷网络清单管理 然后就可以按照自己的方式添加电气网络节点,再将对应的元件引脚加入进去。

针对于不同规格的电器网络清单,其写法是不一样的,这个需要设计人员要在实际设计工作中自己总结。

在这里我们先看看由protel99se自动生产的电气网络清单,然后模拟其规格写法,自己再来实践。

***.net 是由电路板生成电气网络清单,为Tango规格。

分为两个组成部分

元件的构成部分和网络组成部分。

第一个部分:元件的构成部分,元件与元件都用中括号隔开。这里写两个元件的例子

[

D1 //注释 元件的电路符号

PMDU //注释 元件封装

RB161MM //注释 元件型号

//注释 三个空行

//

//

]

[

Q1

EMT3F

DTC043EEB

] //注释 下面写网络部分。同样写两个例子。

(

NetD1_1 //注释 电气网络节点名称 各个网络节点之间,都是由小括号彼此隔开的。

D1-1 //注释 二极管D1的1号引脚 表示二极管的1号引脚和电阻的2号引脚相连。

R3-2 //注释 电阻器R3的2号引脚

)

(

NetR2_2

Q4-3

Q1-3

R2-2

Q2-1

)

注释是为了方便理解,本人加上去的,自己写电气网络清单的时候,不要写进去。

4,元件表

在这里要对比电路图和元件表的一致性。

造成电路图和元件表的不一致的两大主因:

新品设计时,因为不断地改动。

产品改版时,元件的淘汰与更新。

无论花多少时间,一定要做到电路图与元件表的一致,才能保证设计的成功率。

元件的流通与生产状况

本人在查找元件时,大多利用的是mouser和digikey,网售的IC元件数量大,通常表示流通性比较好。

另外通过厂家的网址来查看元件是否将要或已经停产。

元件的封装

通常 生产厂家会有推荐的元件封装,按照其封装来设计,安装元件是没有问题的,但是否符合安装厂家的安装标准则是另一回事。

例如 贴片焊盘过小等问题。

为了做出更好的设计,很多时候会舍弃推荐封装,而独立完成自己的封装库。

但舍弃推荐封装时,一旦自己的独立设计在安装环节出现问题,很容易被追究责任。

本人为了避免生产中的纠纷,大多采用的是厂家的推荐封装。

虽然偶尔被诟病,但因为有据可依,一贯了本人不负责任的做事风格。

在设计中务必要做到有据可依。3,电路板用的电气网络清单

在没有获得电路图电气网络清单的情况下如何来利用电路板设计来制作电气网络清单做个相对详细的叙述。

方法1)利用protel99se 来进行添加

方法2)自己来制作电气网络清单,然后导入到电路板设计中

无论哪种方法,都需要先在电路图中标出电气网络节点名称。如下图中红色文字部分

图6-1电路图 标有电气网络节点名称

本人的设计习惯上,没有极性的电阻器,电容器其引脚标号为 上1下2。标记上的统一性,可以为检查图纸节省时间。

电解电容 正极为P,负极为N,二极管的Anode,cathode相对引脚分别设为A,C

然后制作元件封装,再将元件放置在电路板设计空间里。在这里元件表做了一次更新。

图6-2 LedFlash元件表

图6-2 LedFlash元件位置图

元件被零散地扔在电路板设计空间里,因为没有电气网络连接,所以无法正确地给元件排位置。

方法1)利用protel99se 来制作电气网络清单

step1 点击工具栏里的设计,然后在菜单里选择网络清单管理器,step2 会展示一个空的网络清单工作区。在这里按照step3来做一个电气网络节点以及相关的引脚组成。

在这里先定 NetP12V 电气网络节点,然后将C1,C2,IC2的引脚加入到电气网络节点中。点击OK,然后回到电路板设计空间中,查看效果。

step4 将对应的引脚加入到NetP12V的电气网络节点中。

在这里没有电路图中所标注的+12V的电源部分,是因为我没有定义为元件,而是只放了两个电镀通孔在那里。

添加后的效果如图所示,C1-P,C2-1, IC2-3 由一条绿色的电气线相连。左边的+号的电镀通孔还没有连接。连接方法如下,

双击+号的电镀通孔或者是在电镀通孔上点击鼠标右键,在出现右键列表后,选择最下方的属性。然后在属性清单里选择Advanced(高级选项)

在最上面Net(网络的地方)选中NetP12V,然后点击OK,就表示这个电镀通孔加入到了NetP12V这个电气网络节点中。

效果如下图所示

依照上述的方法,就可以制作成整个电路板所用的电气网络清单了。习惯了这种方法,制作网络清单还是挺简单的。

还有其他问题的话可以关注微信公众号:凡亿PCB

一起来探讨吧!!

以上来源于:头条电子工程师笔记

往期推荐:

  • 如何在AD原理图中查找相应的元器件

  • 推荐 PCB布局思路分析 让你的布局从此简单!

  • PCB设计基本流程 & 布局布线基本原则和常识

  • 在Altium designer 中如何快速掌握绕等长的方式和方法呢?

  • 最齐全差分处理方法详解与信号分析

  • 电路板的工作原理 - 电路板为什么是绿色的_电路板上的元件介绍图


免责声明:本文系网络转载或改编,未找到原创作者,版权归原作者所有。如涉及版权,请联系删
相关文章
QR Code
微信扫一扫,欢迎咨询~

联系我们
武汉格发信息技术有限公司
湖北省武汉市经开区科技园西路6号103孵化器
电话:155-2731-8020 座机:027-59821821
邮件:tanzw@gofarlic.com
Copyright © 2023 Gofarsoft Co.,Ltd. 保留所有权利
遇到许可问题?该如何解决!?
评估许可证实际采购量? 
不清楚软件许可证使用数据? 
收到软件厂商律师函!?  
想要少购买点许可证,节省费用? 
收到软件厂商侵权通告!?  
有正版license,但许可证不够用,需要新购? 
联系方式 155-2731-8020
预留信息,一起解决您的问题
* 姓名:
* 手机:

* 公司名称:

姓名不为空

手机不正确

公司不为空