1.装配图的视图选择
装配图中的视图必须清楚地表达各零件间的相对位置和装配关系、机器或部件的工作原理和主要零件的结构形状。在选择表达方案时,首先要选择好主视图,再选择其他视图。
2.选择主视图
1)将能够充分表达机器形状特征的方向作为主视图的投射方向,并作适当的剖切或拆卸,将其内部零件间的关系全部表达出来,以便清楚地表达机器主要零件的相对位置、装配关系和工作原理。
2)按机器的工作位置放置,并使主要装配干线、主要安装面处于水平或铅垂位置。
图1 球阀轴测装配图
球阀是安装在管路中,用于启闭和调节流体流量的部件。
阀的形式很多,球阀是阀的一种,它的阀芯是球形的。(球阀的轴测装配图 见图1 )
1.分析
1)球阀的装配关系
阀体1和阀盖2均带有方形的凸缘,它们用四个双头螺柱6和螺母7联接,用调整垫片5调节阀芯4与密封圈3之间的松紧程度。在阀体上有阀杆12,阀杆下部有凸块,榫接阀芯4上的凹槽中。为了密封,在阀体与阀杆之间加进填料垫8、填料9和10,旋入填料压紧套11压紧。
2)球阀的工作原理

图2 球阀零件图
扳手13的方孔套进阀杆12上部的四棱柱。当扳手处于图10-8所示的位置时,阀门全部开启,管道畅通,见图1球阀的轴测装配图;当扳手按顺时针方向旋转90°时,阀门全部关闭,管道断流。图2是球阀的几个零件图.
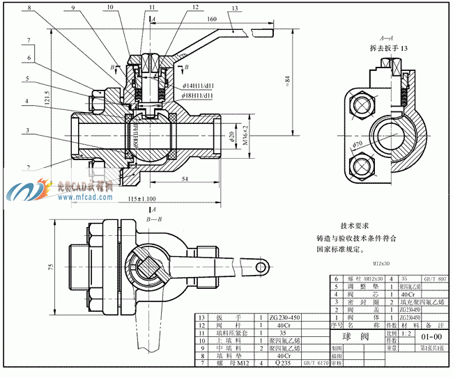
3)球阀的视图选择
如图4所示。 作为球阀,一般将其通径φ20的轴线水平放置,主视图投射方向选择垂直于阀体两孔轴线所在平面的方向,采用全剖视图来表达球阀阀体内两条主要装配干线,各个主要零件及其相互关系为:水平方向装配干线是阀芯4、阀盖2等零件;垂直方向是阀杆12、填料压紧套11、扳手13等零件。左视图采用半剖视图,是为了进一步将阀杆12与阀芯4的关系表达清楚,同时又把阀体1的螺纹连接件的数量及分布位置表达出来。球阀的俯视图以反映外形为主,同时采取了B-B局部剖视,反映手柄13与阀体1限定位凸块的关系,该凸块用以限制扳手13的旋转位
2.作图步骤(图3)
图3 画装配图的步骤
1)根据所选择的视图方案,确定图形比例和图幅大小。留出标注尺寸及明细栏、标题栏及注写技术条件的位置。
2)首先画出各视图主要装配干线、对称中心线及主要零件的基准线。先从主视图开始,配合其他视图,画出阀体的外部轮廓。按装配干线的顺序一件一件地将零件画入,可由外向内或由内向外画。由外向内画时,由于内部零件在视图中被遮挡,内部结构线可用H铅笔画成底稿线,待装入内部零件后,再擦去不必要的图线,避免做重复的工作。
3)完成底稿后,经校核加深,画剖面线,注尺寸,写技术条件,编零、部件序号,最后填写明细栏及标题栏,即完成装配图。如图4所示。

图4 装配图
武汉格发信息技术有限公司,格发许可优化管理系统可以帮你评估贵公司软件许可的真实需求,再低成本合规性管理软件许可,帮助贵司提高软件投资回报率,为软件采购、使用提供科学决策依据。支持的软件有: CAD,CAE,PDM,PLM,Catia,Ugnx, AutoCAD, Pro/E, Solidworks ,Hyperworks, Protel,CAXA,OpenWorks LandMark,MATLAB,Enovia,Winchill,TeamCenter,MathCAD,Ansys, Abaqus,ls-dyna, Fluent, MSC,Bentley,License,UG,ug,catia,Dassault Systèmes,AutoDesk,Altair,autocad,PTC,SolidWorks,Ansys,Siemens PLM Software,Paradigm,Mathworks,Borland,AVEVA,ESRI,hP,Solibri,Progman,Leica,Cadence,IBM,SIMULIA,Citrix,Sybase,Schlumberger,MSC Products...