冲压模具设计中,产品展开是最重要的内容之一。目前,常用的产品展开方法大概可以分为经验公式展开法、3D软件中性层展开法、AF反算修边线法三大类。
3D软件展开最快,但是展开尺寸死板一般用于核对或者辅助经验展开法,我们就不做过度解读。

AF反算修边线展开主要针对曲面造型件(汽车产品),通常还需要结合镭射料带进行试刀口,其实也并非百分百准确。
经验公式法主要适用于电子类产品及各种非曲面产品折弯工艺计算。展开相对准确,但各种情况需要经验才能使用得当。
r<1/2T时,折弯件展开尺寸计算公式

r>1/2T时,折弯件展开尺寸计算公式


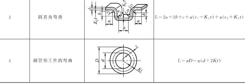
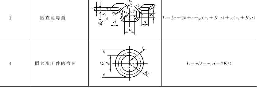
各种常见不同弯曲形状展开尺寸计算公式

各种折弯常用线固连接尺寸计算方法



铰链弯曲时,材料受到挤压和弯曲双力作用,所以会使得中性层由板料厚度的中间向外层方向移动。R/T比值愈小,中性层系数K值愈大,R/T愈大,则K值愈小。K值详见下表:

常用铰链结构形式分三种,如下图:

各种展开计算公式如下:
a型

b型

c型

注:R—弯曲中性层半径,R=r+Kt;
L,L2,L3———计算尺寸,可按材料中间层尺寸计算;
o———相对圆心角由零件图尺寸确定。
对于常见90°折弯内r较小的情况,K值通常可以直接通过查表获得,具体数值如下表所示:

各种非90°折弯展开系数速查数值系列,具体如下图:










各种展开以上表数值为辅助设计,主要为丰富大家设计知识面。通常设计并不直接使用,欢迎大家提供各种想法。
UG模具设计/UG编程在线教学
汗水不会辜负你的努力
如论多忙我们都要不断的学习充实自己,实力是价值最直观的体现
学习什么时候都不晚,从现在开始。只要你想改变,永远来得及
(文章转载于网络,仅供学习分享,如侵权,请联系删除)
