不同的电气图,对图线、字体和比例有不同的要求。国标对电气工程图的图线、字体和比例做出了相应的规定,其中图线的相关要求如下:
在电气工程图中,图线一般只用两种宽度,分别为粗实线和细实线,其宽度之比为2:1,在通常情况下,粗线的宽度采用0.5mm或0.7mm,细线的宽度采用0.25mm或0.35mm。
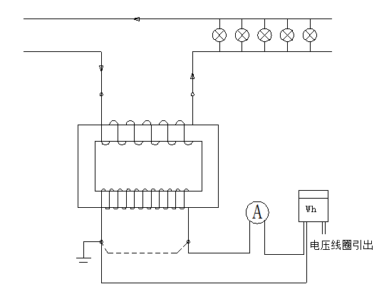
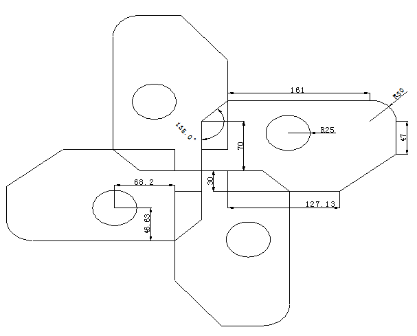
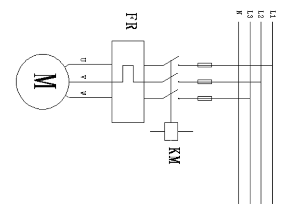
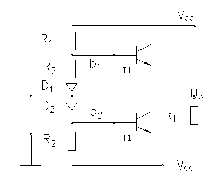
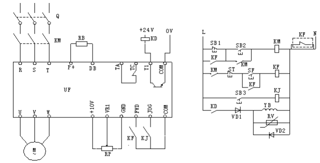
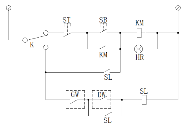
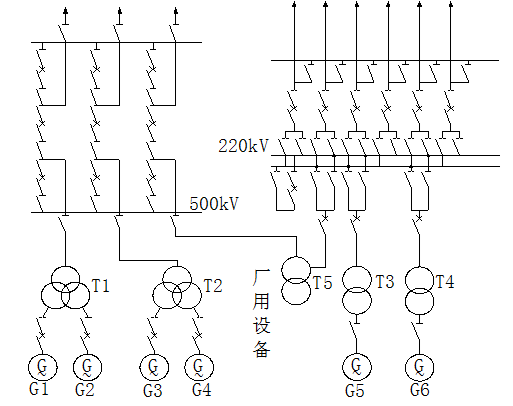
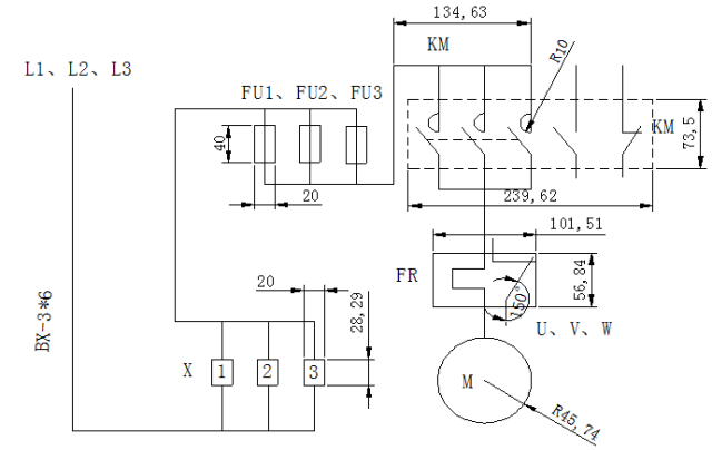
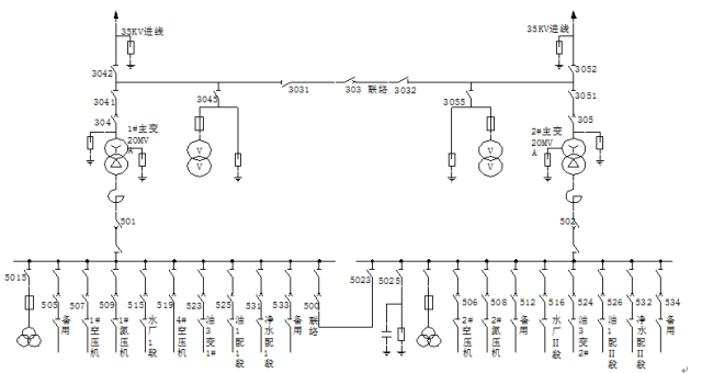
在同一图纸中,同类图线的宽度应基本保持一致,虚线、点画线及双点画线的画长和间隔长度也应大致相等。下面我们就来看看这23个经典电气工程CAD图纸!
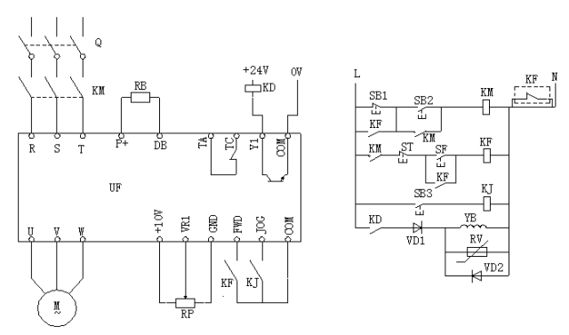
1.要求:注意图中尺寸自行决定,注意美观,做完后,将图形以适当比例大小调整至A3标准图框,出图成pdf档上交。(难度系数1.2)

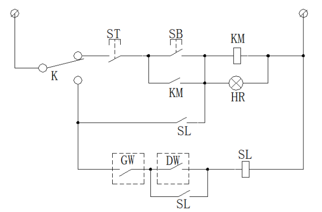
2.要求:注意图中尺寸自行决定,注意美观,做完后,将图形以适当比例大小调整至A3标准图框,出图成pdf档上交。(难度系数1.05)

3.要求:注意图中尺寸自行决定,注意美观,做完后,将图形以适当比例大小调整至A3标准图框,出图成pdf档上交。(难度系数1.1)

[软件名称]:CAD2021电气版*64bit
[软件语言]:简体中文
[软件大小]:2.79GB
[安装环境]:Win10/Win8/Win7
[下载链接]:避免网盘失效
请在公众号后台回复 "7rew" 获取最新下载链接!
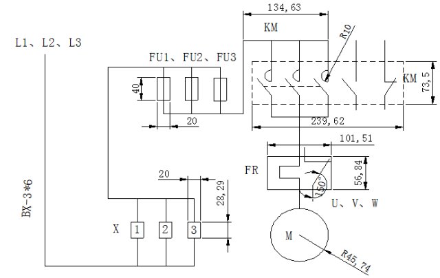
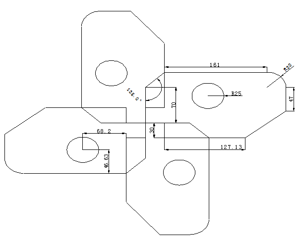
4. 要求:注意图中的关键尺寸和角度,其余自行决定,注意文字美观,做完后将关键尺寸标出,出图成pdf档上交。(难度系数1.2)

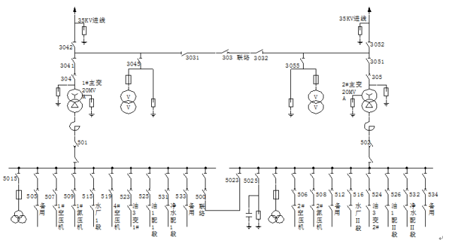
5.要求:注意图中尺寸自行决定,注意文字与线型颜色,做完后,将图形以适当比例大小调整至A3标准图框,出图成pdf档上交。(难度系数1.1)

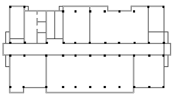
6.要求:注意图中尺寸自行决定,注意美观,做完后,将图形以适当比例大小调整至A3标准图框,出图成pdf档上交。(难度系数1.3)

7. 要求:注意图中尺寸自行决定,注意美观,做完后,将图形以适当比例大小调整至A3标准图框,出图成pdf档上交。(难度系数1.2)

8.要求:注意图中尺寸自行决定,注意美观,做完后,将图形以适当比例大小调整至A3标准图框,出图成pdf档上交。(难度系数1.1)

9.要求:注意图中的关键尺寸和角度,其余自行决定,注意文字美观,做完后将关键尺寸标出,出图成pdf档上交。(难度系数1.2)

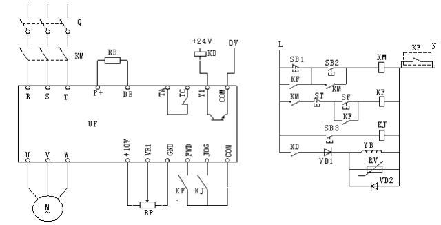
10.要求:注意图中尺寸自行决定,注意文字美观,做完后,出图成pdf档上交。(难度系数1.2)

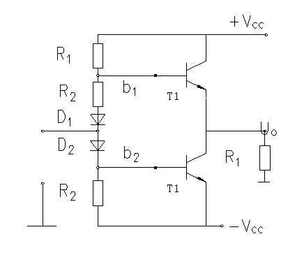
11.要求:注意图中尺寸自行决定,注意文字美观,做完后,出图成pdf档上交。(难度系数1.2)

12.要求:注意图中尺寸自行决定,注意文字美观,做完后,出图成pdf档上交。(难度系数1.05)

13.要求:注意图中尺寸自行决定,注意文字美观,做完后,出图成pdf档上交。(难度系数1.05)

14.要求:注意图中尺寸自行决定,注意美观,做完后,出图成pdf档上交。(难度系数1.05)

15.要求:注意图中尺寸自行决定,注意美观,做完后,出图成pdf档上交。(难度系数1.1)

16.要求:注意图中尺寸自行决定,注意美观,做完后,出图成pdf档上交。(难度系数1.2)

17.要求:注意图中尺寸自行决定,注意美观,做完后,出图成pdf档上交。(难度系数1.05)

18.要求:注意图中尺寸自行决定,注意美观,做完后,出图成pdf档上交。(难度系数1.2)

19.要求:注意图中尺寸自行决定,注意美观,做完后,出图成pdf档上交。(难度系数1.1)

20.要求:注意图中尺寸自行决定,注意美观,做完后,出图成pdf档上交。(难度系数1.1)

21.要求:注意图中尺寸自行决定,注意美观,做完后,出图成pdf档上交。(难度系数1.1)

22.要求:注意图中尺寸自行决定,注意美观,做完后,出图成pdf档上交。(难度系数1.1)

23.要求:注意图中尺寸自行决定,注意美观,做完后,出图成pdf档上交。(难度系数1.1)

... ...
接下来让我们一起看看,最新电气版CAD如何安装吧!
点击上方视频内容,即可查看完整版喔~