工控课堂【www.gkket.com】工程师必备网站
添加微信:gkket123 加入500人工控微信群
电气工控自动化-超万元免费资料
描述:
本篇文章给大家介绍一下三菱FX3U系列的PLC,现在大部分设备采用的都是FX3U的PLC,因为FX3U是FX2N的升级产品,在性能上和运算速率上都比FX2N快很多,故为大家介绍一下FX3U系列PLC硬件和源型/漏型输入输出接线相关的介绍。

一:正面面板


二:侧面

三:FX3U系列基本单元介绍
FX3U-16MR/ES-A 基本单元,内置8入/8出(继电器),AC电源
FX3U-32MR/ES-A 基本单元,内置16入/16出(继电器) ,AC电源
FX3U-48MR/ES-A 基本单元,内置24入/24出(继电器) ,AC电源
FX3U-64MR/ES-A 基本单元,内置32入/32出(继电器) ,AC电源
FX3U-80MR/ES-A 基本单元,内置40入/40出(继电器) ,AC电源
FX3U-128MR/ES-A 基本单元,内置64入/64出(继电器) ,AC电源
FX3U-16MT/ES-A 基本单元,内置8入/8出(晶体管漏型),AC电源
FX3U-32MT/ES-A 基本单元,内置16入/16出(晶体管漏型),AC电源
FX3U-48MT/ES-A 基本单元,内置24入/24出(晶体管漏型),AC电源
FX3U-64MT/ES-A 基本单元,内置32入/32出(晶体管漏型),AC电源
FX3U-80MT/ES-A 基本单元,内置40入/40出(晶体管漏型),AC电源
FX3U-128MT/ES-A 基本单元,内置64入/64出(晶体管漏型),AC电源
四:端子排介绍

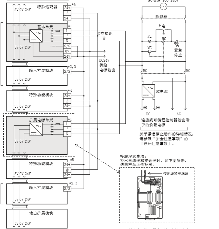
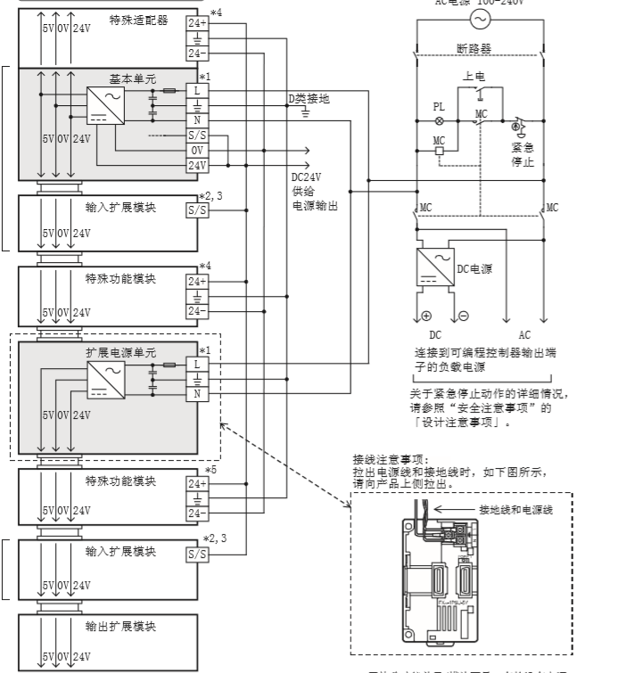
五:连接基本单元和扩展单元方法

六:接线方式(漏型/源型)
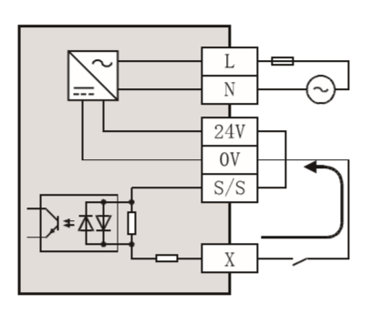
1)扩展电源单元外部接线(漏型输入【-公共端】)

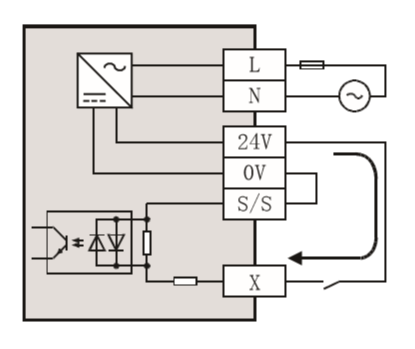
2)扩展电源单元外部接线(源型输入【+公共端】)

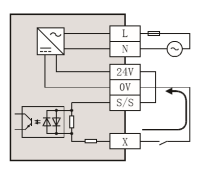
七:漏型/源型输入介绍
1) 漏型输入【-公共端】
当DC输入信号是从输入(X)端子流出电流然后输入时,称为漏型输入。
连接晶体管输出型的传感器输出等时,可以使用NPN集电极开路型晶体管输出。

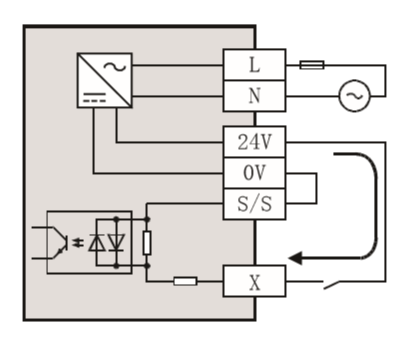
2) 源型输入【+公共端】
当DC输入信号是电流流向到输入(X)端子的输入时,称为源型输入。
连接晶体管输出型的传感器输出等时,可以使用PNP集电极开路型晶体管输出。

3)AC电源型和DC电源型接线

4)输入端子接线

八:漏型/源型输出介绍
1) 漏型输出【-公共端】
负载电流流到输出(Y)端子,这样的输出称为漏型输出

2) 源型输出【+公共端】
负载电流从输出(Y)端子流出,这样的输出称为源型输出

3)(基本单元)继电器输出型

4)继电器外部输出接线

5)漏型输出型
负载电流流入输出(Y)端子。

6)源型输出型
负载电流从输出(Y)端子中流出

结论:FX3U三菱PLC硬件相关介绍完毕,喜欢的朋友们请点击右上角关注。
转发是最大的鼓励!谢谢您的支持!
重要通知
想加入工控PLC学习技术交流群
请添加班长为好友
并备注:地区-行业-姓名昵称获取进群资格。

工控PLC学习 专业专注分享
分享到朋友圈,和朋友们一起分享吧
——————————————————————
▣ 来源:网络-百度文库,侵删!
▣ 声明:我们尊重原创。文字图片视频素材,版权属于原作者。部分文章推送时因种种原因未能与原作者联系上,若涉及版权问题,敬请原作者联系我们删除处理(联系17621634088-微信同号),我们只做分享之用,不用于商业。

她们都关注了,你还等什么?
![]()
