许可优化
许可优化
产品
产品
解决方案
解决方案
服务支持
服务支持
关于
关于
软件库
当前位置:服务支持 >  软件文章 >  经典冲压模具设计实例详解,附AutoCAD高清大图

经典冲压模具设计实例详解,附AutoCAD高清大图

阅读数 672
点赞 0
article_banner

冲压模具设计与制造技术是一项技术性和经验性都很强的工作。包括:冲压工艺设计、模具设计、模具制造。

三者关系:相互关联、相互影响。

冲压工艺设计是冲模设计的基础和依据; 冲模设计的目的是保证实现冲压工艺; 冲模制造则是模具设计过程的延续,目的是使设计图样,通过原材料的加工和装配,转变为具有使用功能和使用价值的模具实体。

一、冲裁模设计与制造实例

工件名称:手柄 生产批量:中批量 材料:Q235-A钢 材料厚度:1.2mm

1.冲压件工艺性分析

冲压工序:只有落料、冲孔; 材料:为Q235-A钢,具有良好的冲压性能,适合冲裁; 结构:相对简单,有一个φ8mm的孔和5个φ5mm的孔;孔与孔、孔与边缘之间的距离也满足要求,最小壁厚为3.5mm(大端4个φ5mm的孔与φ8mm孔、φ5mm的孔与R16mm外圆之间的壁厚)。 精度:全部为自由公差,可看作IT14级,尺寸精度较低,普通冲裁完全能满足要求。

2.冲压工艺方案的确定

方案一:先落料,后冲孔。采用单工序模生产。 方案二:落料-冲孔复合冲压。采用复合模生产。 方案三:冲孔-落料级进冲压。采用级进模生产。

方案一模具结构简单,但成本高而生产效率低;

方案二工件的精度及生产效率都较高,但模具强度较差,制造难度大,且操作不方便;

方案三生产效率高,操作方便,工件精度也能满足要求。

结论:采用方案三为佳。

3.主要设计计算

(1)排样方式的确定及其计算 (2)冲压力的计算

冲压力的相关计算见表。根据计算结果,冲压设备拟选J23-25。

(3)压力中心的确定及相关计算

因冲裁力不大,压力中心偏移坐标原点O较小,为了便于模具的加工和装配,模具中心仍选在坐标原点O。若选用J23-25冲床,C点仍在压力机模柄孔投影面积范围内,满足要求。

(4)工作零件刃口尺寸计算

因工作零件的形状相对较简单,适宜采用线切割机床分别加工落料凸模、凹模、凸模固定板以及卸料板,这种加工方法可以保证这些零件各个孔的同轴度,使装配工作简化。具体计算见表8.2.3所示。

(5)卸料橡胶的设计

4.模具总体设计

(1)模具类型的选择: 级进模 (2)定位方式的选择:导料板,无侧压装置,挡料销初定距,导正销精定距。而第一件的冲压位置可以靠操作工目测来定。 (3)卸料、出件方式的选择:弹性卸料,下出件 (4)导向方式的选择:中间导柱的导向方式

5.主要零部件设计

(1)工作零件的结构设计

①落料凸模:直通式,采用线切割加工,2个M8螺钉固定在垫板上,与凸模固定板的配合按H6/m5。 ②冲孔凸模:台阶式 ③凹模:整体凹模,各冲裁的凹模孔均采用线切割加工。

(2)定位零件的设计

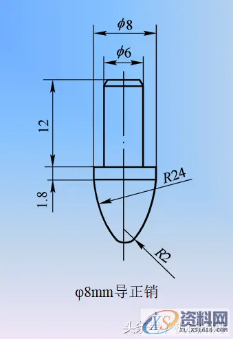
两个导正销,分别借用工件上φ5mm和φ8mm两个孔作导正孔。导正销采用H7/r6安装在落料凸模端面,导正销导正部分与导正孔采用H7/h6配合。

起粗定距的活动挡料销、弹簧和螺塞选用标准件,规格为8×16。

(3)导料板的设计

(4)卸料部件的设计

① 卸料板的设计 ②卸料螺钉的选用

(5)模架及其它零部件设计

6.模具总装图

7.冲压设备的选定

8.模具零件加工工艺

模具关键零件因采用线切割,所以这些零件的加工就变得相对简单。

落料凸模的加工工艺

9.模具的装配

根据级进模装配要点,选凹模作为装配基准件,先装下模,再装上模,并调整间隙、试冲、返修。具体装配见表。

二、拉深模设计与制造实例

零件名称:盖 生产批量:大批量 材料:镀锌铁皮 材料厚度:1mm

1.冲压件工艺性分析

冲压工序:落料、拉深; 材料:为镀锌铁皮,具有良好的拉深性能,适合拉深; 结构:简单对称; 精度:全部为自由公差,工件厚度变化也没有作要求,只是该工件作为另一零件的盖,口部尺寸φ69可稍作小些。而工件总高度尺寸14mm可在拉深后采用修边达要求。

2.冲压工艺方案的确定

方案一:先落料,后拉深。采用单工序模生产。 方案二:落料-拉深复合冲压。采用复合模生产。 方案三:拉深级进冲压。采用级进模生产。

方案一模具结构简单,但成本高而生产效率低;

方案二生产效率较高,尽管模具结构较复杂,但因零件简单对称,模具制造并不困难;

方案三生产效率高,但模具结构比较复杂,送进操作不方便,加之工件尺寸偏大。

结论:采用方案二为佳。

3.主要设计计算

(1) 毛坯尺寸计算

根据表面积相等原则,用解析法求该零件的毛坯直径D,具体计算(略)。

(2)排样及相关计算

采用有废料直排的排样方式。

(3)成形次数的确定

阶梯形件拉深。h/dmin=15.2/40=0.38,据t/D=1/90.5=1.1,查表发现h/dmin小于表中数值,能一次拉深成形。

(4)冲压工序压力计算

拟采用正装复合模,固定卸料与刚性推件,计算冲压力。

根据冲压工艺总力计算结果并结合工件高度,初选开式双柱可倾压力机J23-25。

(5) 工作部分尺寸计算

落料和拉深的凸、凹模的工作尺寸计算(略)。其中因为该工件口部尺寸要求要与另一件配合,所以在设计时可将其尺寸作小些。

4.模具的总体设计

(1)模具类型的选择:落料-拉深复合模 (2)定位方式的选择:导料板(固定卸料板与导料板一体)+挡料销 (3)卸料、出件方式的选择:固定卸料,刚性打件,标准缓冲器提供压边力 (4)导向方式的选择:中间导柱的导向方式

5.主要零部件设计

(1)工作零件的结构设计

整体结构,拉深凸模、落料凹模和凸凹模的结构如图所示。

为了实现先落料后拉深,模具装配后,应使拉深凸模的端面比落料凹模端面低3mm。

(2)其它零部件的设计与选用

① 弹性元件的设计:顶件块(压边、卸件),其压力由标准缓冲器提供。 ②模架及其它零部件的选用

6.模具总装图

7.冲压设备的选定

8.工作零件的加工工艺

本模具工作零件都旋转体,形状较简单,加工主要采用车削。

9.模具的装配

选凸凹模为基准件,先装上模,再装下模。

装配后应保证间隙均匀,落料凹模刃口面应高出拉深凸模工作端面3mm,顶件块上端面应高出落料凹模刃口面0.5 mm,以实现落料前先压料,落料后再拉深。


免责声明:本文系网络转载或改编,未找到原创作者,版权归原作者所有。如涉及版权,请联系删

武汉格发信息技术有限公司,格发许可优化管理系统可以帮你评估贵公司软件许可的真实需求,再低成本合规性管理软件许可,帮助贵司提高软件投资回报率,为软件采购、使用提供科学决策依据。支持的软件有: CAD,CAE,PDM,PLM,Catia,Ugnx, AutoCAD, Pro/E, Solidworks ,Hyperworks, Protel,CAXA,OpenWorks LandMark,MATLAB,Enovia,Winchill,TeamCenter,MathCAD,Ansys, Abaqus,ls-dyna, Fluent, MSC,Bentley,License,UG,ug,catia,Dassault Systèmes,AutoDesk,Altair,autocad,PTC,SolidWorks,Ansys,Siemens PLM Software,Paradigm,Mathworks,Borland,AVEVA,ESRI,hP,Solibri,Progman,Leica,Cadence,IBM,SIMULIA,Citrix,Sybase,Schlumberger,MSC Products...

相关文章
技术文档
QR Code
微信扫一扫,欢迎咨询~
customer

online

联系我们
武汉格发信息技术有限公司
湖北省武汉市经开区科技园西路6号103孵化器
电话:155-2731-8020 座机:027-59821821
邮件:tanzw@gofarlic.com
Copyright © 2023 Gofarsoft Co.,Ltd. 保留所有权利
遇到许可问题?该如何解决!?
评估许可证实际采购量? 
不清楚软件许可证使用数据? 
收到软件厂商律师函!?  
想要少购买点许可证,节省费用? 
收到软件厂商侵权通告!?  
有正版license,但许可证不够用,需要新购? 
联系方式 board-phone 155-2731-8020
close1
预留信息,一起解决您的问题
* 姓名:
* 手机:

* 公司名称:

姓名不为空

姓名不为空

姓名不为空
手机不正确

手机不正确

手机不正确
公司不为空

公司不为空

公司不为空