当前位置:服务支持 >  软件文章 >  八大经典电工电路解析:老师傅必备技能

八大经典电工电路解析:老师傅必备技能

阅读数 13
点赞 0
article_banner

1.日光灯照明与两控一灯一插座线路

日光灯照明与两控一灯一插座线路

里面包含②单相电表的接线,两个⑨和一个⑩是一灯双控的接线,⑤⑥⑦⑧为日光灯的接线。这个电路非常的实用,是家装照明控制的经典案列。

2.线绕式异步电动机控制线路

线绕式异步电动机控制线路

转子绕组上串联电阻来改变电机的机械特性,从而实现小电流启动、增大启动转矩及调速的目的。利用了三个时间继电器和三个接触器相互配合,启动时,串入多级电阻然后分段切除。电机的转速会逐级提高,最后达到额定转速稳定运行。

3.三相四线电度表带互感器电路图

三相电表接线

三相四线电表的接线要点:1、4、7接互感器的K1,3、6、9接互感器的K2并连一起做接地保护,2、5、8接UVW三相电源,11为零线。

4.星/三角降压起动控制线路

星三角启动

经典的星三角降压启动,虽然比不上软启动,但是应用还是很广的。一个主接触器,一个星接触器,一个角接触器。通过时间继电器,实现自动转换的目的。

5.双重联锁正、反转控制线路

正反转电路

电机的正反转电路相来应用广泛,双重互锁提高了电路的安全性。2个接触器组成的电气互锁和2个启动按钮组成的机械互锁。

6.电动机单向两地控制线路

异地控制

异地控制相对来说非常简单,要点就是:启动按钮并联,停止按钮串联。

7.电动机点动、连动控制

点动加自锁

这个是基础电路,SB2按下去KM吸合自锁,SB3是点动按钮。

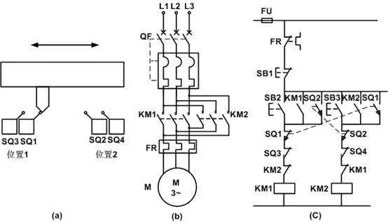
8.自动往返控制电路

自动往返电路

自动往返电路和双重互锁电路其实是类似的,限位开关的触点和按钮开关的触点类似。所以两个行程开关机械互锁加两个接触器电气互锁。

这是8个比较经典的电路,你搞懂了几个?

还有其他问题的话可以关注微信公众号:凡亿PCB

一起来探讨吧!!

以上来源于:头条我是大俵哥

往期推荐:

  • 如何在AD原理图中查找相应的元器件

  • 推荐 PCB布局思路分析 让你的布局从此简单!

  • PCB设计基本流程 & 布局布线基本原则和常识

  • 在Altium designer 中如何快速掌握绕等长的方式和方法呢?

  • 最齐全差分处理方法详解与信号分析

  • 电路板的工作原理 - 电路板为什么是绿色的_电路板上的元件介绍图


免责声明:本文系网络转载或改编,未找到原创作者,版权归原作者所有。如涉及版权,请联系删
相关文章
QR Code
微信扫一扫,欢迎咨询~

联系我们
武汉格发信息技术有限公司
湖北省武汉市经开区科技园西路6号103孵化器
电话:155-2731-8020 座机:027-59821821
邮件:tanzw@gofarlic.com
Copyright © 2023 Gofarsoft Co.,Ltd. 保留所有权利
遇到许可问题?该如何解决!?
评估许可证实际采购量? 
不清楚软件许可证使用数据? 
收到软件厂商律师函!?  
想要少购买点许可证,节省费用? 
收到软件厂商侵权通告!?  
有正版license,但许可证不够用,需要新购? 
联系方式 155-2731-8020
预留信息,一起解决您的问题
* 姓名:
* 手机:

* 公司名称:

姓名不为空

手机不正确

公司不为空