所谓逆向工程技术就是对实物原形进行3D扫描、数据采集,经过数据处理、三维重构等过程,构造具有相同形状结构的三维模型。然后,在对原形进行复制或在原形的基础上进行再设计,实现创新。所以说逆向工程并不是简单的3D扫描以及复制的过程,逆向工程的目的是利用实物获取点云,并基于点云进行优化设计以及创新设计。当然逆向设计并不神秘,他与我们的生活息息相关,日常生活中的自行车的一次次升级改造,汽车流线的愈加无瑕疵都离不开逆向设计。

那么什么时候需要逆向工程呢?魔猴网发现逆向工程主要应用到以下方面之中。
1.获得三维软件可以编辑的参数化模型,方便数控机床等机加工企业进行材料加工。
2.为了获得更加合理的数据结构,例如汽车外形流线造型的改进,涡轮叶片的改进等。通过逆向工程设计对扫描获得的数据进行修改,达到优化创新的目的。

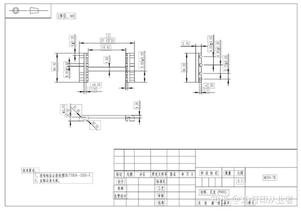
3.为了获得二维图纸。机加企业一般比较重视二维图纸的获得,逆向工程可以通过对扫描数据的逆向设计,获得物体的三维模型,在画图软件中即可方便快捷的获得该实物的任意截面的二维图纸。

二维图纸
逆向工程在诸多方面均获得了广泛的应用,魔猴网也开拓了逆向服务模块。以下是魔猴针对逆向服务设计的服务流程。
1.通过三维扫描仪获得点云数据或者客户提供点云数据。

2.通过软件(geomagic,gom等)对点云数据进行处理,获得三角网格面数据。包括STL数据进行坐标变化,点云降噪,顺滑,优化,简化等预处理。该步获得的数据即可进行三维雕刻、3D打印、比对分析等。

3.通过逆向软件,逆向软件一般可以采用UG、CATIA、GEOMAGIC DX等专业软件对获得的三角网格面数据进行处理。包括面片拟合,截面创建,曲线提取等诸多特征提取方式,而此时即可进行创新设计、优化设计等。

4.经过软件计算延伸、剪切等一系列操作获得逆向的参数模型,该模型可以用来高精度CNC加工、模具设计。

通过上述四步骤即可完成针对一个零件的逆向工程设计,通过逆向工程设计我们不仅可以获得参数化模型,还可以获得模型的STL数据并进行对比检测、三维雕刻,同时可以获得参数化模型并进行优化设计。
免责声明:本文系网络转载或改编,未找到原创作者,版权归原作者所有。如涉及版权,请联系删