Cadence OrCAD 多Parts元件创建方法
目前 集成电路 是越来越复杂,IC的pin也是越来越多。在设计原理图时,对于复杂的器件如果我们只创建一个Parts的元件,绘制电路时非常的不方便,电路的可读性大大降低,也不利于我们分析电路。因此我们希望能够把一些复杂的器件制作成多个Parts元件,方便我们绘制电路以及分析电路。
Homogeneous器件与heterogeneous的区别:
1、如果每个Part 相同,则选择 Homogeneous。
2、如果每个Part不同,则选择 heterogeneous。
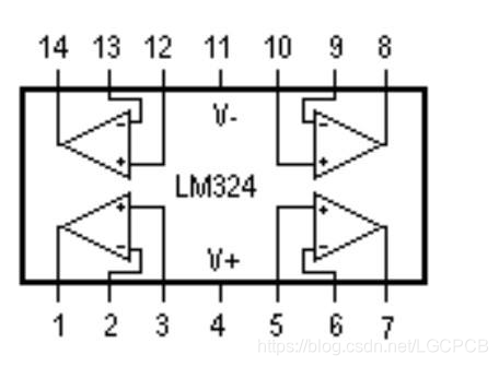
接下来我们通过创建LM324芯片来演示多个Parts器件制作流程。通过查阅芯片 数据手册 ,找到芯片的引种配置图形看每个引脚的功能分配。LM324中有4四运算放大器。


1、打开Cadence OrCAD,File——New——Library建立元件库,选中元件库右键New Part。

(2) 创建新的库元件,Name填写LM324, Part Reference Prefix 填写U, PCB Fooprint填写SOICl4, Parts per P’kg填写4, 引脚 选择数字,如图下图所示。填写完成后单击OK抄即可进人Part元件设计。
免责声明:本文系网络转载或改编,未找到原创作者,版权归原作者所有。如涉及版权,请联系删