Cadence是一个很强大的原理图及PCB绘制工具。在普通个人用户使用过程中,一般会使用原理图绘制工具OrCAD Capture CIS、PCB绘制工具PCB Editor。如果是自己需要绘制焊盘,可能还需要使用Padstack Editor这个 插件 。其次说明一下,Cadence还有个绘制原理图的工具叫Design Entry HDL,这个工具一般企业、公司用的较多,因为建库真的太烦了,别问我怎么知道的。所以你自己要是想做一下好玩的嵌入式开发,建议使用原理图绘制工具Orcad Capture CIS、PCB绘制工具PCB Editor、焊盘绘制工具Padstack Editor。下面这个就是安装好之后可能比较常用的一些插件图标。
Cadence17.2安装的话可以自行解决,建议百度直接搜索“阿狸狗”进行安装。这个我之前就安装好了,所以这里的话我就不写详细的安装过程了,我后面有时间的话也会出一期安装教程,毕竟有没有时间谁又知道呢,嘻嘻。
Cadence绘制原理图时很方便,操作的话我自己感觉还是比较人性化的(除了拖动界面)。安装完Cadence17.2之后,打开Capture CIS这个插件,出现Cadence Product Choices界面,选择OrCAD Capture CIS,点击OK进入。
进入之后就进入到了CIS的主界面,如下图,很多具体功能不一一介绍,后续以绘图过程来讲解。进去之后,可以直接在Start Page页面点击New Project新建工程,也可以 File -New-Project来新建。
点击新建之后出现New Project界面,输入Name,选择Location,一个新工程就建好了。
建好新工程之后出现如下界面,以工程名会生成一个新的 标签页 ,选择标签页下面也会出现相应的资源管理器界面。工程名.dsn就是设计文件,下面会生成SCHEMATIC1原理图文件夹,里面可以新建多张原理图,默认会自动生成一张名为PAGE 1的原理图。Design Cache这里会保存在原理图中添加过的元器件信息。Library文件夹下可以加载软件自带的或者网上别人画好的元器件库,也可以直接在里面建一个自己的新库。我一般都是自己直接新建,毕竟这玩意你去哪找都可能不全,还不如自己一点一点画积攒起来。Output文件夹会保存你后续生成的一些网表等,文件可以用于PCB设计。
至此,一个新工程就算是建好了,接下来就是添加/新建元器件库、绘图的过程。
如果之前使用过其他原理图绘制工具Altium Designer,或者一些仿真软件的话,读者应该清楚很多情况下都需要自己去找元器件库,找不见的话就要自己绘制了,这个软件很人性化的一点就是建库真的很方便,下面做一下介绍。
如果是需要加载已经有的元器件库的话,首先直接打开PAGE 1原理图绘制页面,点击Place Part,在弹出的窗口界面Libraries栏下选择中间的文件夹图表添加即可。

如果要自己建库的话,点击File-New-Library。此时在工程下面Library文件夹下面会生成library1.olb文件,这个就是Cadence元器件库的文件格式。新建元器件时,点击library1.olb,右键选择New Part即可。
点击New Part之后出现New Part Properties界面,这里以绘制LDO芯片AMS1117来举例,在Name中输入绘制的元器件的名字,Part Reference Prefix是元器件前缀。这里PCB Footprint就是添加PCB封装的地方,只需要像编辑文本一样输入即可,与AD中关联的操作有一点差别,这里先不添加,这个后面等绘制完PCB封装随时可以添加。
填写好之后点击OK进入元器件绘制界面。界面中虚线框内就是元器件的绘制区域,要求所有图形都要放在虚线框内。

绘制AMS1117时首先添加一个矩形框,这个图表大家自己在右面找找,顺便看一下别的图标都可以绘制什么图形。绘制矩形框之后如下所示,可以自行调整大小。Value可以添加一些值或者元器件名称等信息。绘制矩形框之后,添加元器件 引脚 ,添加元器件引脚的图标也在添加矩形框的那个栏里面。
点击Place Pin图表,出现如下界面这里对元器件引脚做一些配置,Name是引脚名称,Number是引脚编号,Shape是引脚的类型,我比较喜欢用Short短线类型,这样原理图可以画的比较紧凑,大家自己按个人喜好决定,我一般就设置这三个,其他的可以根据英文名称大家自己看看是做什么的。
填写完毕点击OK,将引脚添加到虚线框周围。如下所示:
然后改引脚名字、调整位置。
至此,一个器件就绘制好了,保存即可。其他电阻、电容等器件大家自行学习绘制,具体操作可以找一些视频或者课本来看看。
保存之后,在原理图绘制页面下库中会自动出现,双击拖动到原理图页面即可。
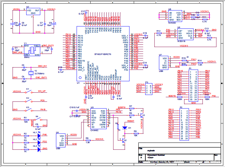
绘制原理图的话操作方面,其实上面建库、调用元器件的过程讲解完之后就差不多没什么了。主要就是添加连线、添加网络标号等操作,大家可以在右边的工具栏中一个一个点击使用一下看有什么操作。下图就是在主线 项目 Apollo中绘制的一个STM32的最小系统。关于这个项目自己会一点一点搭出来,这些文章都是关于这个项目做的总结笔记。
免责声明:本文系网络转载或改编,未找到原创作者,版权归原作者所有。如涉及版权,请联系删