(1)高压系统介绍
在电动汽车上,整车带有高压电的零部件有动力电池、驱动电机、高压配电箱(POU)、电动压缩机、DC/DC、OBC、门C、高压线束等,这些部件组成了整车的高压系统,其中动力电池、驱动电机、高压控制系统为纯电动汽车上的三大核心部件。
如图1所示,整车高压线束主要包括以下段:

1)动力电池高压电缆:连接动力电池到高压配电盒之间的线缆。
2)电机电缆:连接高压配电盒到电机及控制器之间的线缆。
3))快充电缆:连接快充口到高压配电盒之间的线缆。
4))慢充线缆:连接慢充口到车载充电机之间的线缆。
5)高压附件线缆:连接高压配电盒到DC/DC、车载充电机、空调压缩机、PTC之间的线缆。
(2)高压回路过热原因与危害
高压回路过热的主要原因见表1。

无论是高压系统线缆还是12V系统电缆,线缆局部温度过高都会引起部件功能失效甚至车辆火灾,对于高压线缆尤为如此,因此预防线缆出现热点并传播引发起火是设计中需要考虑的因素。高压电路过热的主要后果见表2。

1. 降低线缆热点的主要解决方式
通常,对于表l中所述的线缆过热原因,主要有以下几种解决方式,如设计合理线径、连接处可靠固定、过热后的系统安全策略保护等。
1.1电缆线径
电缆线径越粗,能承载的电流越大,但选择线缆线径时也不是越粗越好,应根据实际情况进行计算选择。依据整车各个高压电气元件布局图分清主回路和支路,确定高压线束所连接的高压部件的负载特性,如工作电压、额定功率、峰值功率、额定电流、峰值电流、持续时间等。
同时,工作温度及环境温度对于电缆线径也是有影响的。由于大电流传输会导致高功耗和相关组件的温升提高,所以如果线缆的布置环境超过了电缆允许的工作温度,就必须选择较大截面积的电缆。
1.2连接处固定
线缆接触不良会对系统正常工作造成影响,如电缆、连接器等连接处开路或接触不良,引起拉弧,从而引发火灾。电缆、连接器等连接处电阻增加,也会引起局部发热。因此在设计时,通常对高压连接器之间采用特殊结构进行连接,如互锁方式。为减小线缆与车身的连接电阻,也采用螺栓固定或焊接等方式,以便减小因接触不良导致电阻增加而引发的线缆过热。
1.3可靠的系统安全保护策略
通过控制策略,对电动汽车进行可靠的保护。VCU作为电动汽车中的调配大脑,对电缆过热保护策略预期为:监测高压回路各部件(EAC/门C/BMS/DCDC/MCU)处的电压,检测到一定压差l时断开高压回路。
通过上述三种设计方式,加上控制策略保护,就不会因车辆的长期使用磨损因素而对行车安全造成影响,因此更为合理,更可靠。下面对电缆过热保护策略的具体实现方式进行分析。
2预防电缆过热保护策略实施
通过系统分析,VCU对车辆保护策略实施方案为:高压回路连接后,VCU监测高压回路各部件(EAC/PTC/BMS/DCDC/MCU)的电压,任意两处电压之间压差超过规定限值,并且持续1minVCU请求下高压,即点亮动力系统故障灯。
2.1高压回路压差计算
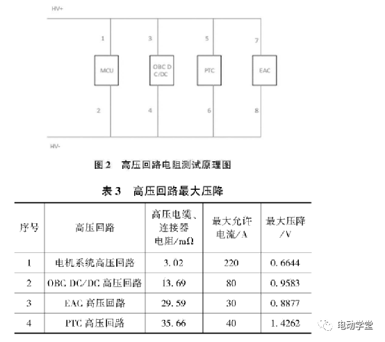
2.1.1高压回路电阻的测试
分别对电机系统、OBCDC/DC、EAC、门C高压回路电阻进行测试。高压电缆/连接器电阻=电缆线阻+端子电阻+压接电阻+接触电阻(mΩ)。如图2所示,将四个测试系统分成了两个部分。
2.1.2各高压回路的理论最大压降计算
根据测试值,并根据各系统最大工作允许值,计算出各高压回路的最大压降。

2.1.3 高压回路最大压降分析
由于元器件本身和实际测试均存在误差,因此为了保护策略的可靠性,必须考虑电压计算误差累计和实际压差两方面的风险。通过误差分析,计算VCU收到的电压值。对于以上高压器件,误差主要考虑见表4。

通过测量和计算,得出电池包输出电压在400-404V不同电压值时VCU接收的最大压差,见表5。


根据上表,VCU接收的高压回路最大压差为18V。
2.2 高压回路温升计算
根据高压线束特性,对不同压差下各回路温升估算
(此处以国标规定材料特性为准),主要计算步骤如下:
1)回路每秒温升=每秒由压差引起最大发热量/该回路铜芯的热值。
2)每秒由压差引起最大发热量=压差×最大电流×1s。
3)该回路铜芯的每上升1°C热值=铜比热容×该回路铜芯质量。

电缆绝缘层材料硅胶,连接器绝缘材料PA,温度等级200°C,可承受热过载为250°C持续4h。依据上表,电机系统回路每秒温升最高,当电机系统回路压差为20V时,按峰值功率持续10s,前6.5s温升225°C,达到250°C最高温度,再持续3.5s,考虑散热存在,没有超过电缆、连接器承受热过载能力。因此高压回路20V满足要求。
3. 结论
本文通过分析电动汽车高压回路线缆过热的原因,提出了几种应对方式,重点介绍了如何通过VCU保护策略可靠预防线缆过热。同时,结合设计误差与测量误差,对峰值条件下的受热过载能力进行了分析。得出了VCU对高压回路压差值可靠的保护值。通过实车耐久性验证,高压回路压差保护值设定在20V,能否覆盖测量和信号发送误差造成的误判断,以此来可靠预防高压回路因电缆/连接器电阻增加,造成电缆或连接器局部温度上升形成的热点。