▲ 更多精彩内容 请点击上方蓝字关注我们吧!
DC-DC指直流转直流电源(Direct Current)。是一种在直流电路中将一个电压值的电能变为另一个电压值得电能的装置。如,通过一个转换器能将一个直流电压(5.0V)转换成其他的直流电压(1.5V或12.0V),我们称这个转换器为DC-DC转换器,或称之为开关电源或开关调整器。
DC-DC转换器一般由控制芯片,电感线圈,二极管,三极管,电容器构成。在讨论DC-DC转换器的性能时,如果单针对控制芯片,是不能判断其优劣的。其外围电路的元器件特性,和基板的布线方式等,能改变电源电路的性能,因此,应进行综合判断。
DC-DC转换器的使用有利于简化电源电路设计,缩短研制周期,实现最佳指标等,被广泛用于电力电子、军工、科研、工控设备、通讯设备、仪器仪表、交换设备、接入设备、移动通讯、路由器等通信领域和工业控制、汽车电子、航空航天等领域。具有可靠性高、系统升级容易等特点,电源模块的应用越来越广泛。此外,DC-DC转换器还广泛应用于手机、MP3、数码相机、便携式媒体播放器等产品中。在电路类型分类上属于斩波电路。
其主要特点是效率高:与线性稳压器的LDO相比较,效率高是DCDC的显著优势。通常效率在70%以上,效率高的可达到95%以上。其次是适应电压范围宽。
A: 调制方式
1: PFM(脉冲频率调制方式)
开关脉冲宽度一定,通过改变脉冲输出的频率,使输出电压达到稳定。PFM控制型即使长时间使用,尤其小负载时具有耗电小的优点。
2: PWM(脉冲宽度调制方式)
开关脉冲的频率一定,通过改变脉冲输出宽度,使输出电压达到稳定。PWM控制型效率高并具有良好的输出电压纹波和噪声。
B: 通常情况下,采用PFM和PWM这两种不同调制方式的DC-DC转换器的性能不同点如下。
PWM的频率,PFM的占空比的选择方法。PWM/PFM转换型小负载时实行PFM控制,且在重负载时自动转换到PWM控制。
常见的三种原理架构
A、 Buck(降压型DC/DC转换器)

图1
B、Boost(升压型DC/DC转换器)

图2
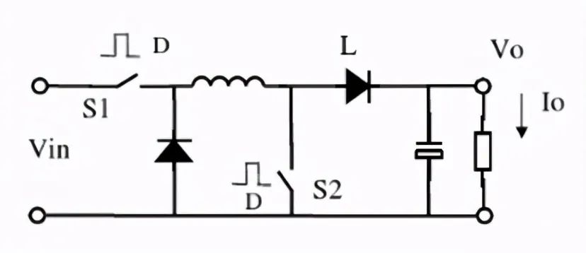
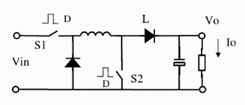
C、Buck-Boost(升降压型DC/DC转换器)

图3

图4
伏秒平衡原则:处于稳定状态的电感,电感两端的正伏秒积等于负伏秒积,即:电感两端的伏秒积在一个开关周期内必须平衡。


图5
当开关导通时:输入电压Vin加到LC滤波器的输入端,电感上的电流以固定斜率线性上升。如下图

图6
当开关关断时:由于电感上的电流不能突变,电感中存储的能量向负载释放,电感电流通过二极管续流 ,在这个阶段,电流波形是一条斜率为负的斜线。如下图

图7
DC-DC电路设计至少要考虑以下条件:
A.外部输入电源电压的范围,输出电流的大小。
B. DC-DC输出的电压,电流,系统的功率最大值。
输人/输出电压
要按照器件的推荐工作电压范围选用,并且要考虑实际电压的波动范围,确保不能超出器件规格。
器件持续的输出电流能力是一个重要的参数,选用时要参考此参数,并要保留一定的余量。
此参数的选取还要评估电路的瞬间峰值电流和发热的情况,综合来确定,并满足降额要求。
纹波是衡量电路的输出电压波动的重要参数。要关注轻载和重载纹波,一般轻载纹波要大。注意核电等场合下轻载纹波是否会超出要求。实际测试下各种场景负载下的情况。通常选用示波器20M带宽来测试。
要同时关注轻载和重载两种情况。轻载会影响待机功率,重载影响温升。通常看12V输入,5V输出下10mA的效率,一般要80%以上。
瞬态响应特性反应负载剧烈变化时系统是否能及时调整以保证输出电压的稳定。要求输出电压波动越小越好,一般按峰峰值10%以下要求。
实际要注意按推荐值选用反馈电容。常见取值在22p到120pF。

图9
常用的开关频率多数在500kHz以上。较高的开关频率1.2M到2M的也有,由于频率高开关损耗增加IC散热设计要好,故主要集中在5V低压输入小电流的产品。开关频率关系到电感电容的选用,其它如EMC,轻载下噪音等问题也与之有关。
反馈参考电压及精度
反馈电压要与内部的参考电压相比较,配合外部的反馈分压电阻,输出不同电压。不同产品的参考电压会有不同,如0.6~0.8V,替换时注意调整反馈电阻。
反馈电阻要选用1%精度,只要根据厂家推荐来选,一般不要选的过大,以免影响稳定性。
参考电压精度影响输出准确度,常见精度在2%以下,如1%~1.5%,精度高的产品成本会有差别。根据需要选择。
线性稳定度反应输入电压变化输出电压稳定性。负载稳定度反应输出负载变化输出电压稳定性。一般要求1%,最大不要超3%。
EN高低电平要满足器件规格要求,有些IC不能超出特定电压范围;电阻分压时注意满足及时关断,并且考虑电压波动最大范围内要满足。
由于时序控制的需要,该引脚会增加电容,为了电平调节和关断放电,同时要有对地电阻。
要有过流保护OCP,过热保护OTP等,并且保护后条件消失能自恢复。
要求有软启动;热阻和封装;使用温度范围要能覆盖高低温等。
✔ 普遍性
✔ 高性价比
✔ 易采购生命周期长
✔ 兼容和可替代
✔ 资源节约
✔ 降额
✔ 易生产和归一化
要满足耐压和输入纹波的要求。一般耐压要求1.5~2倍以上输 入电压。注意瓷片电容的实际容量会随直流电压的偏置影响而减少。
要满足耐压和输出纹波的要求。一般耐压要求1.5~2倍
纹波和电容的关系:

按照规格书推荐值。一般0.1uF-1uF。耐压一般要高于输入电压。
不同输出电压的要求感量不同;注意温升和饱和电流要满足余量要求,一般最大电流的1.2倍以上(或者电感的饱和电流必须大于最大输出电流+0.5*电感纹波电流)。通常选择合适的电感值L,使ΔIL占输出电流的30% to 50%。计算公式:

按规格书 要求取值,不能减小,也不要太大,注意耐压。
按规格书 要求取值,不同厂家芯片取值不同,输出电压不同也会有不同的要求。
要求按规格书取值,精度1%。
1.输入电容就近放在芯片的输入Vin和功率的PGND,减少寄生电感的存在,因为输入电流不连续,寄生电感引起的噪声对芯片的耐压以及逻辑单元造成不良影响 。电容地端增加过孔,减少阻抗。
2.功率回路尽可能的短粗,保持较小的环路面积,较少噪声辐射。SW是噪声源,保证电流的同时保持尽量小的面积,远离敏感的易受干扰的位置。如,电感靠近SW引脚,远离反馈线。输出电容靠近电感,地端增加地过孔。
3. VCC电容应就近放置在芯片的VCC管脚和芯片的信号地之间,尽量在一层,不要有过孔。
4.FB是芯片最敏感,最容易受干扰的部分,是引起系统不稳定的最常见原因 。
1)FB电阻连接到FB管脚竟可能短,靠近IC放置,减少噪声的耦合;FB下分压电阻通常接信号地AGND;
2)远离噪声源,SW点,电感,二极管(非同步buck);FB走线包地;
3)大电流负载的FB在负载远端取,反馈电容走线要就近取。
5.BST的电容走线尽量短,不要太细。
6.芯片散热要按设计要求,尽量在底下增加过孔散热。
免责声明:本文系网络转载,版权归原作者所有。如本文所用视频、图片、文字如涉及作品版权问题,请在文末留言告知,我们将在第一时间处理!本文内容为原作者观点,并不代表本公众号赞同其观点和对其真实性负责。