首页
产品
解决方案
服务支持
关于
软件库
在线咨询
申请试用
155-2731-8020
产品
许可分析
实现专业软件许可精细化管理
许可优化
高效利用许可资源、回收闲置许可
许可调配
合理管控调配许可资源
终端软件管理
终端软件管理和合规性管理共同保障终端安全
软件商店
多角度管控软件使用权限,保证软件安全性
资产台账
实用、强大的资产台账管理工具
行业分类
汽车行业
船舶行业
网络行业
半导体行业
医疗行业
军工行业
服务支持
服务保障
软件文章
产品教程
技术文档
关于
关于我们
试用产品
合作伙伴
品牌标志
产品
解决方案
服务支持
关于
软件库
产品
许可分析
实现专业软件许可精细化管理
许可优化
高效利用许可资源、回收闲置许可
许可调配
合理管控调配许可资源
终端软件管理
终端软件管理和合规性管理共同保障终端安全
软件商店
多角度管控软件使用权限,保证软件安全性
资产台账
实用、强大的资产台账管理工具
解决方案
汽车行业
船舶行业
网络行业
半导体行业
医疗行业
军工行业
服务支持
服务保障
软件文章
产品教程
技术文档
关于
关于我们
试用产品
合作伙伴
品牌标志
当前位置:服务支持 >
软件文章
>
Solidworks每日练习:简单零件建模思路(第28期)
Solidworks每日练习:简单零件建模思路(第28期)
阅读数 350
点赞 86
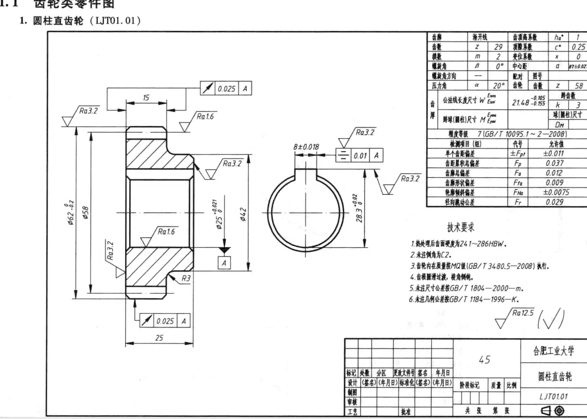
图纸在此,练习起来吧!
返回上级列表
联系我们
,获取更多内容
上一篇:
免费下载SOLIDWORKS 3D模型:硕迪科技资源分享
下一篇:
SOLIDWORKS技巧:装配体配合的实用小技巧
相关文章
SolidWorks
每
日
练
习
:中等难度
零
件
建
模
挑战(
第
28
期
)
阅读量 337
点赞 88
SOLIDWORKS
SolidWorks
每
日
练
习
:中等难度
零
件
建
模
(
第
35
期
)!
阅读量 405
点赞 50
SOLIDWORKS
SolidWorks
每
日
练
习
:中等难度
零
件
建
模
(
第
23
期
)
阅读量 390
点赞 46
SOLIDWORKS
Solidworks
每
日
练
习
:中等难度
零
件
建
模
(
第
33
期
)
阅读量 322
点赞 66
SOLIDWORKS
SolidWorks
每
日
练
习
:中等难度
零
件
建
模
(
第
24
期
)
阅读量 393
点赞 50
SOLIDWORKS
SolidWorks
每
日
练
习
:中等难度
零
件
建
模
(
第
25
期
)
阅读量 370
点赞 37
SOLIDWORKS
SolidWorks
每
日
练
习
:中等难度
零
件
建
模
(
第
22
期
)
阅读量 378
点赞 44
SOLIDWORKS
Solidworks
每
日
练
习
:中等难度
零
件
建
模
挑战(
第
31
期
)
阅读量 380
点赞 14
SOLIDWORKS
Solidworks
每
日
练
习
:中等难度
零
件
建
模
挑战(
第
29
期
)
阅读量 301
点赞 24
SOLIDWORKS
Solidworks
每
日
练
习
:中等难度
零
件
建
模
挑战(
第
27
期
)
阅读量 398
点赞 75
SOLIDWORKS
SolidWorks
初级
练
习
100题(后50题解析)
阅读量 635
点赞 95
SOLIDWORKS
SolidWorks
初级
练
习
:
每
日
一
练
前50题
阅读量 549
点赞 68
SOLIDWORKS
SolidWorks
每
日
一
练
:中级篇100题精选(前50题)
阅读量 763
点赞 57
SOLIDWORKS
solidworks
齿轮减速箱箱体设计教程
阅读量 709
点赞 28
SOLIDWORKS
SolidWorks
练
习
:蝎子尾巴
建
模
技巧(
简
单
版)
阅读量 591
点赞 26
SOLIDWORKS
技术文档
格发
许可分析
软件管理系统宣传
软件实现正版化
-格发最专业的解决方案
企业
软件资产
和
License管理
遇到的问题和解决办法
UG许可
资源优化解决方案-
许可不够用
,解决UG盗版,
UG许可
监控,UG律师函
公司使用
盗版SolidWorks
被发函,
solidworks盗版
检测,solidworks 被软件公司查到用盗版,SolidWork价格减少
Teamcenter
无法创建多余账号怎么办?
如何解决
许可不足
问题以提升许可利用率
CATIA
的
license资源
管理-gofar许可优化效果
企业如何进行
合规性管理
收到西门子发来的
UG告知函
怎么办?
Solidworks盗版
被查如何防范?厂商是怎么样查到公司在用盗版,有什么方法可以核实真假?……
热门文章
ISO认证企业首选:许可回收技术的安全管理体系解析
对比传统模式:许可回收技术如何降低30%的IT运维成本
审计日志全记录:许可回收技术满足等保2.0合规要求
2025企业IT管理新趋势:许可回收技术成数字化标配
自动化回收规则:技术员再也不用手动清理闲置许可
多层级审批流:许可回收技术兼顾效率与安全管控
微信扫一扫,欢迎咨询~
联系我们
武汉格发信息技术有限公司
湖北省武汉市经开区科技园西路6号103孵化器
电话:155-2731-8020 座机:027-59821821
邮件:tanzw@gofarlic.com
发现
许可分析
许可优化
许可调配
终端软件管理
方案
汽车行业
船舶行业
网络行业
半导体行业
服务
服务保障
软件文章
产品教程
技术文档
关于
关于我们
试用产品
合作伙伴
品牌标志
隐私声明
|
使用条款
Copyright © 2023 Gofarsoft Co.,Ltd. 保留所有权利
鲁ICP备14018425号-1
鄂公网安备42011302000881号
遇到许可问题?该如何解决!?
评估许可证实际采购量? 
不清楚软件许可证使用数据? 
收到软件厂商律师函!?  
想要少购买点许可证,节省费用? 
收到软件厂商侵权通告!?  
有正版license,但许可证不够用,需要新购? 
联系方式
155-2731-8020
预留信息,一起解决您的问题
*
 姓名:
*
 手机:
*
 公司名称:
姓名不为空
手机不正确
公司不为空